Качественные детали и логистика
Оригинальные и аналоговые запчасти с доставкой по России, Казахстану и Беларуси
©2022 PartSell ООО "Система" ИНН 2463123282 ОГРН 1212400004838
Центральный офис: г. Красноярск, Академика Киренского, д.87, пом.4
Телефон: 8 (800) 777-65-74 Email: zakaz@partsell.ru
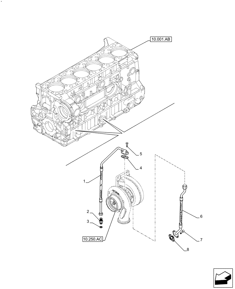
(10.250.AD) - TURBOCHARGER LUBE LINE
№
Артикул
Название
Примечание
Количество
1
5801497601
PIPE
1шт.
2
504081274
HYD CONNECTOR
3
99489019
SEALING WASHER
4
504352445
GASKET
5
16586625
BOLT,M8 x 35mm
2шт.
6
5801497604
7
16673635
BOLT,Hex, M8 x 1.25 x 20mm, Full Thd
8
99475979
Выбрано товаров: 0