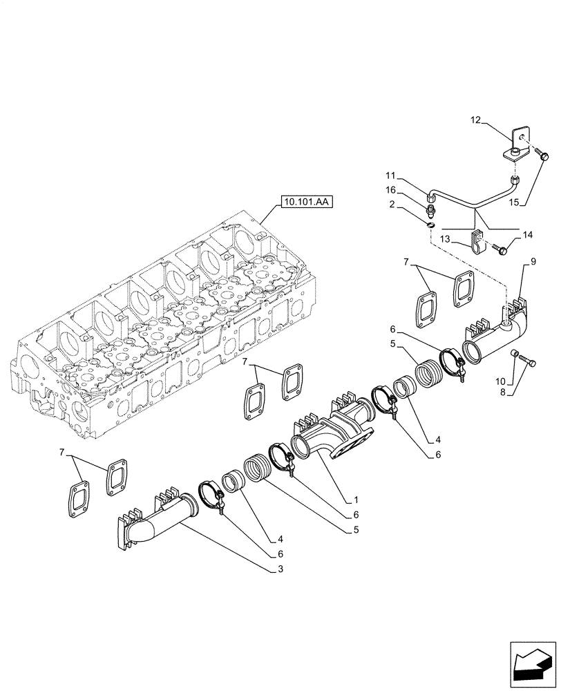
Запчасти Case IH F3HFE613A B003 (10.254.AC) - EXHAUST MANIFOLD (10) - ENGINE

Схема запчастей Case IH F3HFE613A B003 - (10.254.AC) - EXHAUST MANIFOLD (10) - ENGINE
2
4
13
7
6
15
11
5
5
9
14
6
10
8
12
7
7
1
6
16
6
4
3
10.101.aa
FIT
1:1
100%

Артикул

Название

Примечание

Количество

1

5801627328

MANIFOLD

1шт.

2

5801802965

SEAL

2шт.

3

504030852

EXHAUST MANIFOLD

1шт.

4

99443770

RING

2шт.

5

504383383

SLEEVE

2шт.

6

504047549

RETAINER COLLAR

4шт.

7

504154280

GASKET

6шт.

8

504078465

FLANGE BOLT,M10 x 1.5 x 70mm

24шт.

9

5801630869

MANIFOLD

1шт.

10

504074155

SPACER

24шт.

11

5801630045

PIPE FITTING

1шт.

12

5801630049

RETAINER

1шт.

13

17316392

COLLAR

1шт.

14

16673635

BOLT,Hex, M8 x 1.25 x 20mm, Full Thd

1шт.

15

18137825

BOLT,Hex, M6 x 16mm

2шт.

16

5801628752

UNION

1шт.

Выбрано товаров: 16