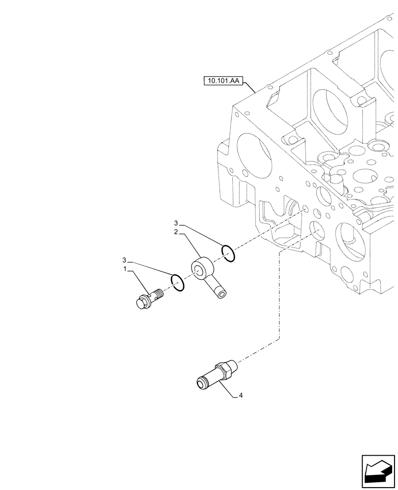
Запчасти Case IH F3HFE613A B003 (10.400.AE) - ENGINE, COOLING SYSTEM LINE (10) - ENGINE

Схема запчастей Case IH F3HFE613A B003 - (10.400.AE) - ENGINE, COOLING SYSTEM LINE (10) - ENGINE
10.101.aa
3
1
3
2
4
FIT
1:1
100%

Артикул

Название

Примечание

Количество

1

504034362

BANJO BOLT

D=10 x 17 mm; SP=1.5 mm

1шт.

2

5801429348

PIPE

1шт.

3

98474305

SEALING WASHER

2шт.

4

98475757

FITTING

1шт.

Выбрано товаров: 4