Качественные детали и логистика
Оригинальные и аналоговые запчасти с доставкой по России, Казахстану и Беларуси
©2022 PartSell ООО "Система" ИНН 2463123282 ОГРН 1212400004838
Центральный офис: г. Красноярск, Академика Киренского, д.87, пом.4
Телефон: 8 (800) 777-65-74 Email: zakaz@partsell.ru
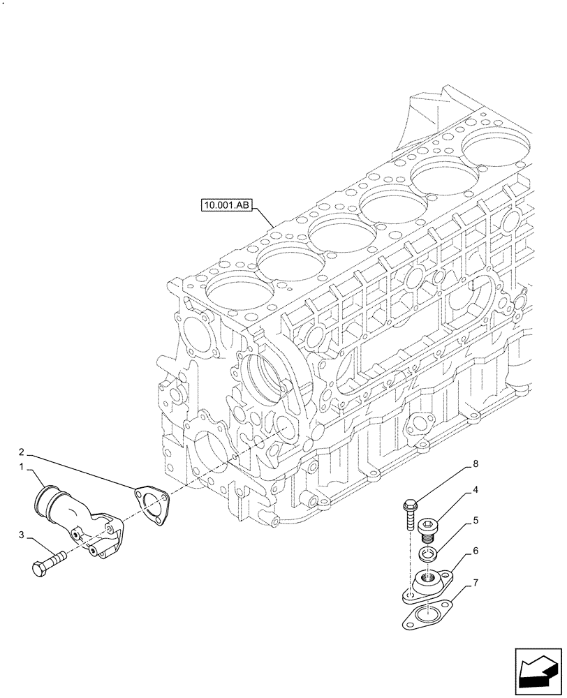
(10.400.AQ) - WATER PUMP LINE
№
Артикул
Название
Примечание
Количество
1
500373280
OUTLET
1шт.
2
99466940
GASKET
3
16674934
SCREW,M8 x 80mm
2шт.
16674434
SCREW
4
16993411
PLUG,M22 x 1.5
5
99489022
GASKET,22mm ID x 30mm OD x 1.50mm Thk
6
5801712485
FLANGE
7
5801623804
8
16673635
BOLT,Hex, M8 x 1.25 x 20mm, Full Thd
Выбрано товаров: 0