Качественные детали и логистика
Оригинальные и аналоговые запчасти с доставкой по России, Казахстану и Беларуси
©2022 PartSell ООО "Система" ИНН 2463123282 ОГРН 1212400004838
Центральный офис: г. Красноярск, Академика Киренского, д.87, пом.4
Телефон: 8 (800) 777-65-74 Email: zakaz@partsell.ru
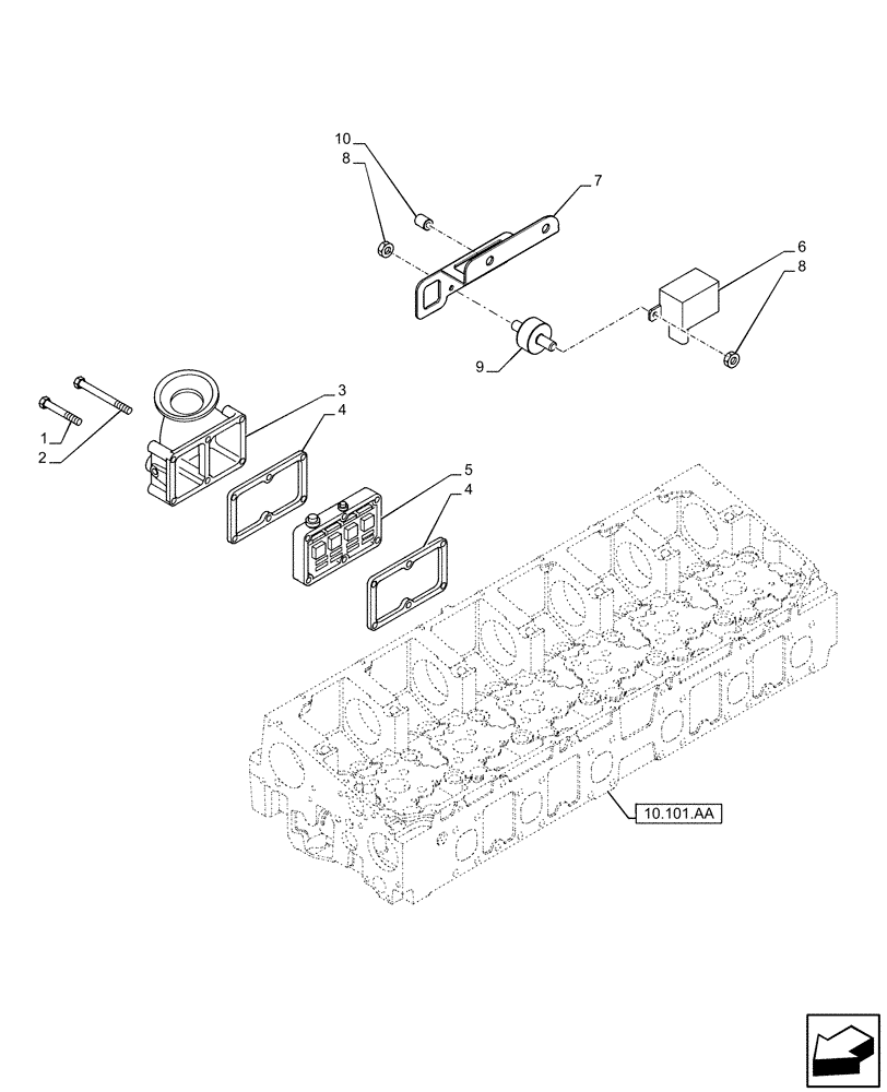
(10.254.AM) - INTAKE MANIFOLD
№
Артикул
Название
Примечание
Количество
1
16593125
BOLT,M10 x 100mm
3шт.
2
16599325
SCREW,M10 x 150mm
1шт.
16599125
BOLT,Hex, M10 x 130mm, Cl 8.8
2шт.
3
504074687
MANIFOLD
4
504375264
GASKET,0.3mm Thk
5
504154987
HEATER
6
500343161
RELAY
7
5801712398
BRACKET
8
17037821
NUT
4шт.
9
504090550
LUG
10
5801484382
SPACER
Выбрано товаров: 0