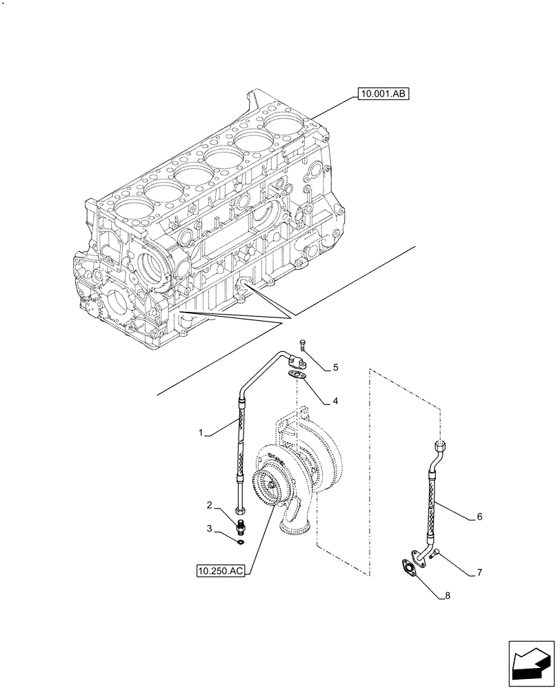
Запчасти Case IH F3HFE613A B009 (10.250.AD) - TURBOCHARGER LUBE LINE (10) - ENGINE

Схема запчастей Case IH F3HFE613A B009 - (10.250.AD) - TURBOCHARGER LUBE LINE (10) - ENGINE
10.250.ac
8
1
6
5
7
2
4
3
10.001.ab
FIT
1:1
100%

Артикул

Название

Примечание

Количество

1

5801497601

PIPE

1шт.

2

504081274

HYD CONNECTOR

1шт.

3

99489019

SEALING WASHER

1шт.

4

504352445

GASKET

1шт.

5

16586625

BOLT,M8 x 35mm

2шт.

6

5801497604

PIPE

1шт.

7

16673635

BOLT,Hex, M8 x 1.25 x 20mm, Full Thd

2шт.

8

99475979

GASKET

1шт.

Выбрано товаров: 8