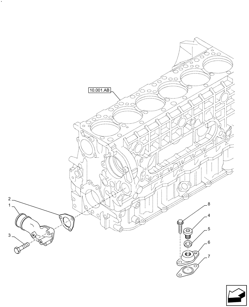
Запчасти Case IH F3HFE613A B009 (10.400.AQ) - WATER PUMP LINE (10) - ENGINE

Схема запчастей Case IH F3HFE613A B009 - (10.400.AQ) - WATER PUMP LINE (10) - ENGINE
10.001.ab
5
1
4
2
8
6
7
3
FIT
1:1
100%

Артикул

Название

Примечание

Количество

1

500373280

OUTLET

1шт.

2

99466940

GASKET

1шт.

3

16674934

SCREW,M8 x 80mm

2шт.

3

16674434

SCREW

1шт.

4

16993411

PLUG,M22 x 1.5

1шт.

5

99489022

GASKET,22mm ID x 30mm OD x 1.50mm Thk

1шт.

6

5801712485

FLANGE

1шт.

7

5801623804

GASKET

1шт.

8

16673635

BOLT,Hex, M8 x 1.25 x 20mm, Full Thd

2шт.

Выбрано товаров: 9