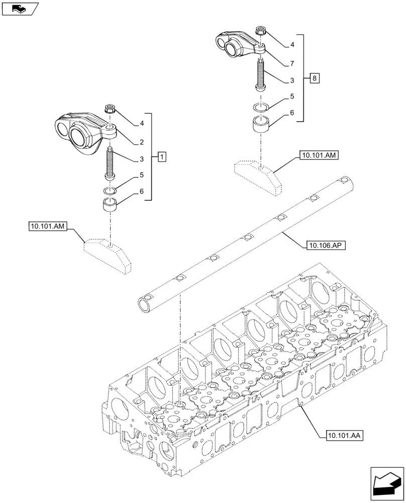
Запчасти Case IH F3HFE613B B001 (10.106.AO) - ROCKER ARM (10) - ENGINE

Схема запчастей Case IH F3HFE613B B001 - (10.106.AO) - ROCKER ARM (10) - ENGINE
10.106.ap
3
7
10.101.am
5
1
6
10.101.am
home
8
3
2
5
6
10.101.aa
4
4
FIT
1:1
100%

Артикул

Название

Примечание

Количество

1

5801660699

ROCKER ARM

Intake; ASSY; Incl 2 - 6

6шт.

2

NSS

NOT SOLD SEPARAT

Arm; Incl in 1

1шт.

3

NSS

NOT SOLD SEPARAT

Screw; Incl in 1, 8

2шт.

4

NSS

NOT SOLD SEPARAT

2шт.

5

NSS

NOT SOLD SEPARAT

Ring; Incl in 1, 8

12шт.

6

NSS

NOT SOLD SEPARAT

2шт.

7

NSS

NOT SOLD SEPARAT

Arm; Incl in 8

1шт.

8

5801660689

ROCKER ARM

Exhaust; ASSY; Incl 3 - 6, 7

6шт.

Выбрано товаров: 0