Качественные детали и логистика
Оригинальные и аналоговые запчасти с доставкой по России, Казахстану и Беларуси
©2022 PartSell ООО "Система" ИНН 2463123282 ОГРН 1212400004838
Центральный офис: г. Красноярск, Академика Киренского, д.87, пом.4
Телефон: 8 (800) 777-65-74 Email: zakaz@partsell.ru
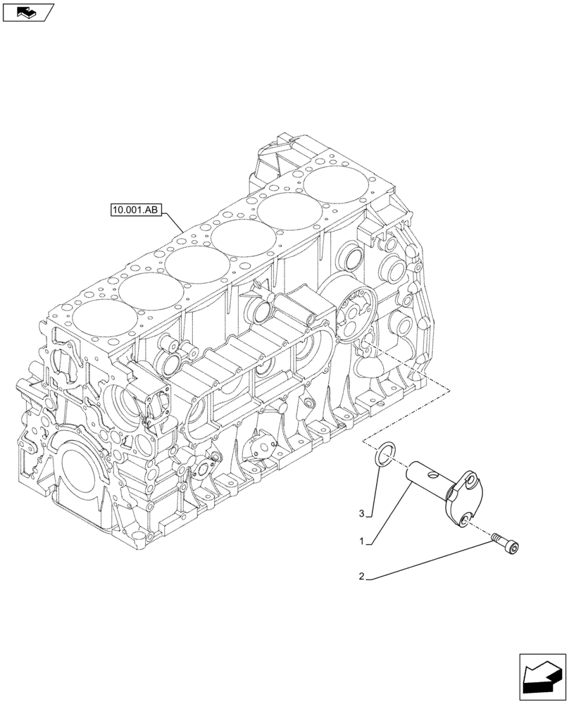
(10.304.AM) - PRESSURE CONTROL VALVE
№
Артикул
Название
Примечание
Количество
1
500378929
VALVE
ASSY; Incl 3; 4
1шт.
2
16673635
BOLT,Hex, M8 x 1.25 x 20mm, Full Thd
M8 x 16 mm
2шт.
3
14463481
O-RING,1.109" ID x 0.139" Width
D=24.9 mm; SP=3.5 mm
Выбрано товаров: 0