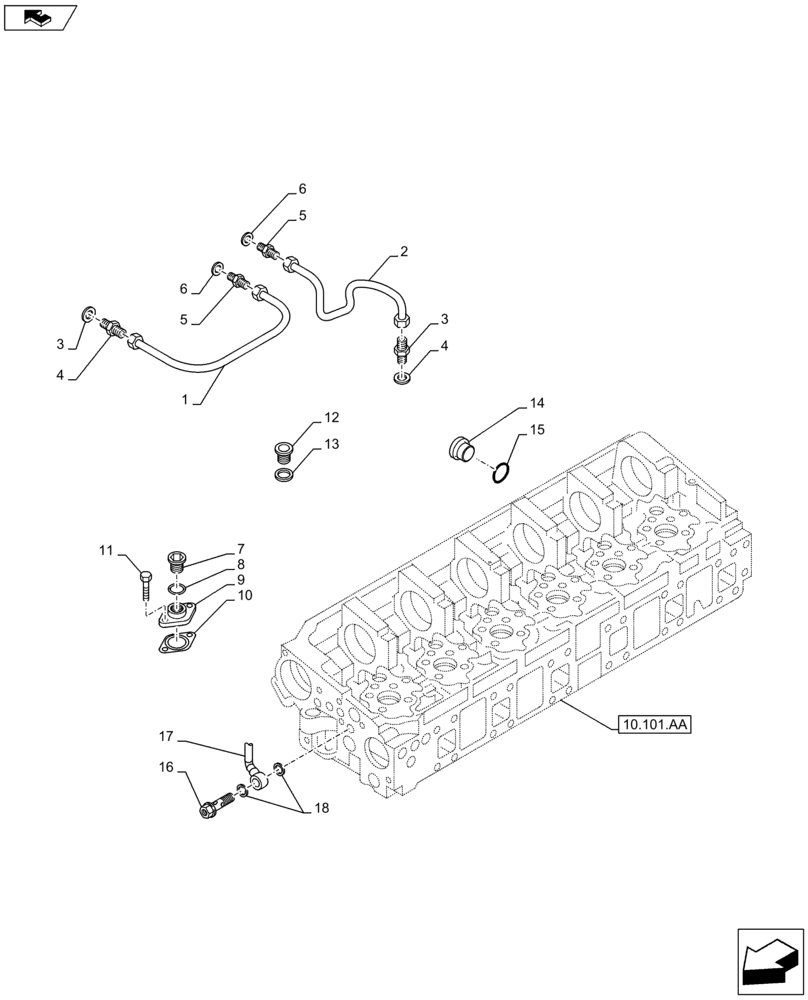
Запчасти Case IH F3HFE613B B001 (10.400.AE) - ENGINE, COOLING SYSTEM LINE (10) - ENGINE

Схема запчастей Case IH F3HFE613B B001 - (10.400.AE) - ENGINE, COOLING SYSTEM LINE (10) - ENGINE
11
5
4
5
10.101.aa
4
18
9
6
16
12
14
10
8
6
1
3
13
2
17
home
15
3
7
FIT
1:1
100%

Артикул

Название

Примечание

Количество

1

5801624912

PIPE

1шт.

2

5801722831

PIPE

1шт.

3

16500919

UNION

2шт.

4

5801560870

WASHER

2шт.

5

16500114

UNION

2шт.

6

99489017

GASKET,9.9mm ID x 20mm OD x 2.5mm Thk

2шт.

7

10275011

PLUG,M22 x 1.5 x 13

1шт.

8

87332142

SEAL,23.5mm ID x 30mm OD x 1.5mm Thk

1шт.

9

5801712485

FLANGE

1шт.

10

5801623804

GASKET

1шт.

11

16673635

BOLT,Hex, M8 x 1.25 x 20mm, Full Thd

2шт.

12

10300714

PLUG,M16 x 1.5 x 14

1шт.

13

99489019

SEALING WASHER

1шт.

14

16992515

PLUG

2шт.

15

5167640

SEALING WASHER,14.09mm ID x 26.45mm OD x 1.5mm Thk

2шт.

16

504034362

BANJO BOLT

1шт.

17

5801429348

PIPE

1шт.

18

98474305

SEALING WASHER

2шт.

Выбрано товаров: 18