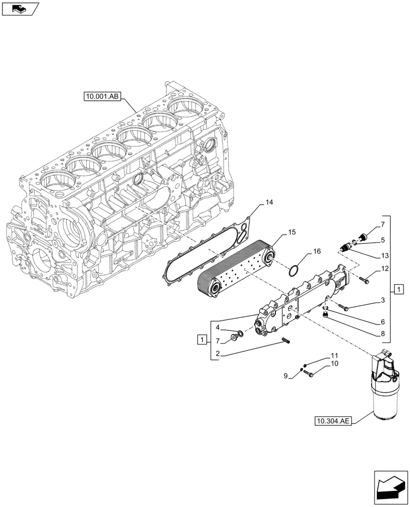
Запчасти Case IH F3HFE613B B001 (10.408.AC) - HEAT EXCHANGER (10) - ENGINE

Схема запчастей Case IH F3HFE613B B001 - (10.408.AC) - HEAT EXCHANGER (10) - ENGINE
5
4
15
1
14
13
10.001.ab
home
10
7
9
1
3
2
6
7
11
8
10.304.ae
12
16
FIT
1:1
100%

Артикул

Название

Примечание

Количество

1

5801515988

COVER

Assy; Incl 2-8; 13-12

1шт.

2

99435557

DOWEL,8.50mm Dia

1шт.

3

16592221

SCREW,Hex, M8 x 55mm, Cl 8.8

1шт.

4

16571960

GASKET

2шт.

5

99432291

GASKET,28mm ID

2шт.

6

99489019

SEALING WASHER

1шт.

7

10278301

PLUG,M28 x 1.5 x 11, Brass

4шт.

8

10300714

PLUG,M16 x 1.5 x 14

1шт.

9

98474303

WASHER,8mm ID x 14mm OD x 2.3mm Thk

4шт.

10

16586821

SCREW,Hex, M8 x 45mm, Cl 8.8

4шт.

11

5801535270

SPACER

1шт.

12

16586721

SCREW,Hex, M8 x 40mm, Cl 8.8

17шт.

13

5801458893

VALVE

1шт.

14

504388425

GASKET

1шт.

15

5801463042

HEAT EXCHANGER

1шт.

16

17289781

O-RING

1шт.

Выбрано товаров: 16