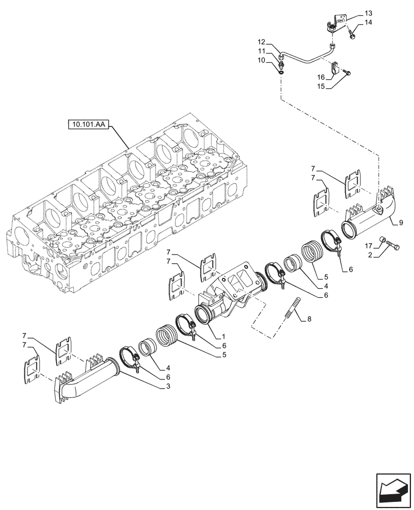
Запчасти Case IH F3HFE613B B002 (10.254.AC[01]) - EXHAUST MANIFOLD, UP TO SERIAL NUMBER F3H22333 (10) - ENGINE

Схема запчастей Case IH F3HFE613B B002 - (10.254.AC[01]) - EXHAUST MANIFOLD, UP TO SERIAL NUMBER F3H22333 (10) - ENGINE
10.101.aa
17
14
7
7
12
6
4
15
6
11
10
9
3
7
7
7
8
6
6
13
5
1
4
7
16
2
5
FIT
1:1
100%

Артикул

Название

Примечание

Количество

1

5801618088

MANIFOLD

1шт.

2

504078465

FLANGE BOLT,M10 x 1.5 x 70mm

24шт.

3

504030852

EXHAUST MANIFOLD

1шт.

4

99443770

RING

2шт.

5

504383383

SLEEVE

2шт.

6

504047549

RETAINER COLLAR

4шт.

7

504154280

GASKET

6шт.

8

99463138

STUD

2шт.

9

5801630869

MANIFOLD

1шт.

10

16508060

COPPER WASHER,12mm ID x 15.50mm OD

1шт.

11

5801628752

UNION

1шт.

12

5801630045

PIPE FITTING

1шт.

13

5801630049

RETAINER

1шт.

14

18137825

BOLT,Hex, M6 x 16mm

1шт.

15

16673635

BOLT,Hex, M8 x 1.25 x 20mm, Full Thd

1шт.

16

17316392

COLLAR

1шт.

17

504074155

SPACER

20шт.

Выбрано товаров: 17