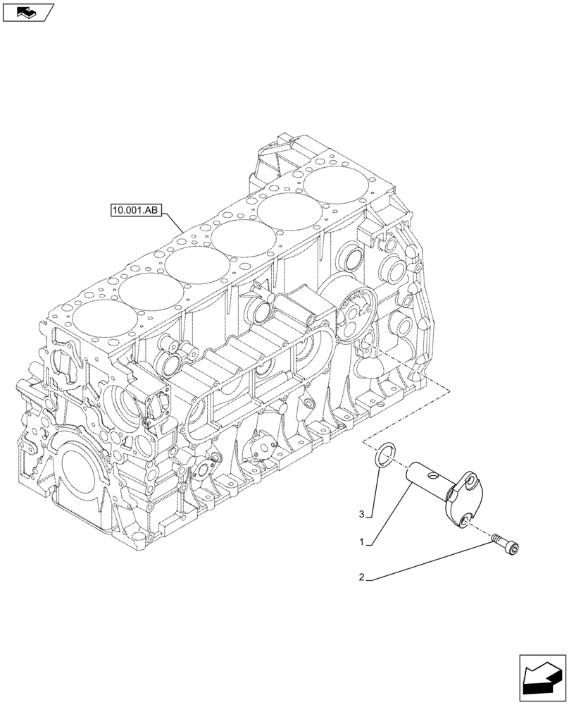
Запчасти Case IH F3HFE613B B002 (10.304.AM) - PRESSURE CONTROL VALVE (10) - ENGINE

Схема запчастей Case IH F3HFE613B B002 - (10.304.AM) - PRESSURE CONTROL VALVE (10) - ENGINE
1
3
2
home
10.001.ab
FIT
1:1
100%

Артикул

Название

Примечание

Количество

1

500378929

VALVE

ASSY; Incl 3; 4

1шт.

2

16673635

BOLT,Hex, M8 x 1.25 x 20mm, Full Thd

M8 x 16 mm

2шт.

3

14463481

O-RING,1.109" ID x 0.139" Width

D=24.9 mm; SP=3.5 mm

1шт.

Выбрано товаров: 3