Запчасти Case IH F3HFE613C B003 (55.015.AA) - ENGINE, ELECTRONIC CONTROL UNIT (55) - ELECTRICAL SYSTEMS

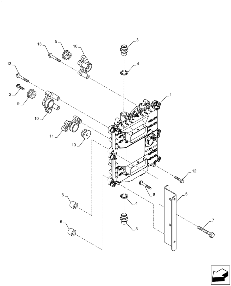
Схема запчастей Case IH F3HFE613C B003 - (55.015.AA) - ENGINE, ELECTRONIC CONTROL UNIT (55) - ELECTRICAL SYSTEMS
8
12
7
9
9
10
1
5
4
10
11
13
6
10
3
13
4
3
6
2
FIT
1:1
100%

Артикул

Название

Примечание

Количество

1

504388754

CONTROL UNIT

1шт.

2

16585925

SCREW,Hex, M6 x 25mm, Cl 8.8

2шт.

3

5801496226

HYD CONNECTOR

2шт.

4

5801560870

WASHER

2шт.

5

5801777023

BRACKET

1шт.

6

61319288

SPACER

2шт.

7

16592325

BOLT,M8 x 60mm

2шт.

8

16586825

BOLT,Hex, M8 x 1.25 x 45mm

1шт.

9

5801406998

SHOCK ABSORBER

6шт.

10

504368710

BRACKET

2шт.

11

504297839

BRACKET

1шт.

12

16586025

SCREW,Hex, M6 x 30mm

2шт.

13

17935001

SELF-TAP SCREW,Hex Flng, M5.5 x 1.8 x 45mm

4шт.

Выбрано товаров: 0