Запчасти Case IH F3HFE613D B002 (10.210.AF) - FUEL LINE (10) - ENGINE

Схема запчастей Case IH F3HFE613D B002 - (10.210.AF) - FUEL LINE (10) - ENGINE
21
16
1
10.218.aq
15
2
5
10
4
19
9
10.206.ag
13
6
17
8
10
18
14
5
14
11
12
home
10.101.aa
55.015.aa
3
20
7
FIT
1:1
100%

Артикул

Название

Примечание

Количество

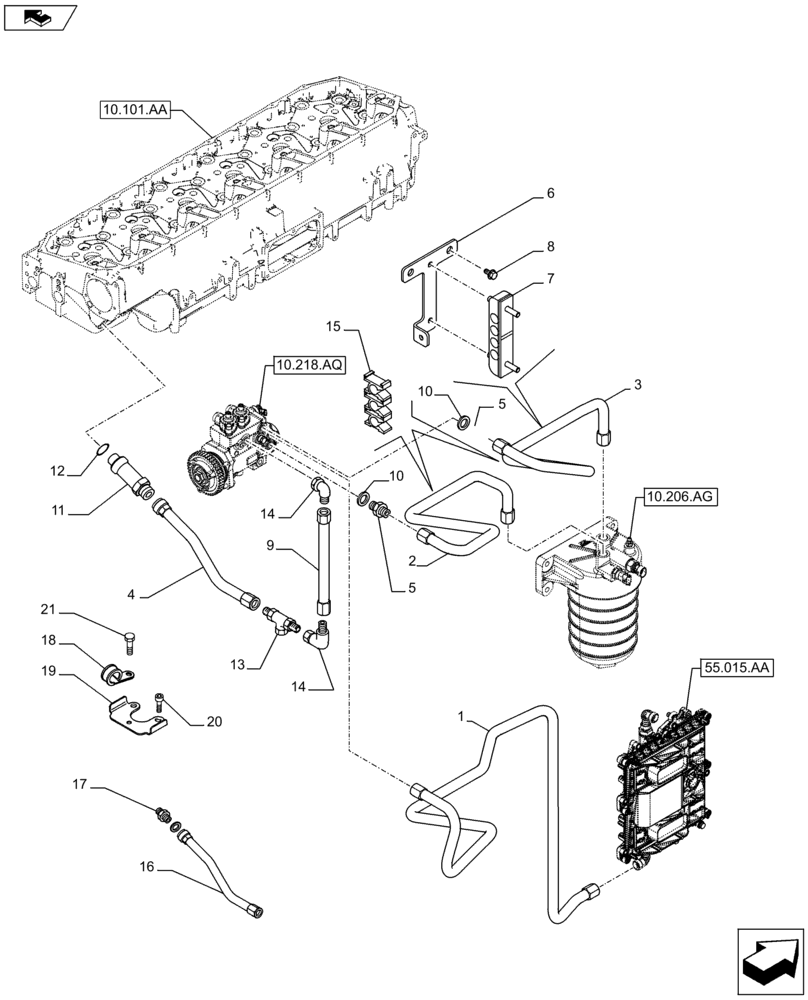
1

5801565573

PIPE

1шт.

2

5801501538

HYD TUBE

1шт.

3

5801501533

HYD TUBE

1шт.

4

504388514

PIPE

1шт.

5

16500315

HYD CONNECTOR

2шт.

6

5801642802

BRACKET

1шт.

7

5801477879

CLAMP

2шт.

8

18137825

BOLT,Hex, M6 x 16mm

2шт.

9

504375711

PIPE

1шт.

10

4858609

WASHER,Brass

2шт.

11

500310076

FITTING

1шт.

12

99489019

SEALING WASHER

4шт.

13

16506019

TEE

1шт.

14

16504111

HYD CONNECTOR

2шт.

15

9706748

CLAMP,15.9mm, Coat, 8.7mm Bolt Hole, P Type

2шт.

16

5801541811

PIPE

1шт.

17

5801496226

HYD CONNECTOR

2шт.

18

5801609467

SUPPORT

1шт.

19

5801597623

RETAINER

1шт.

20

16673735

BOLT,Hex, M8 x 1.25 x 25mm

2шт.

21

16586225

BOLT,M8 x 16mm

2шт.

Выбрано товаров: 21