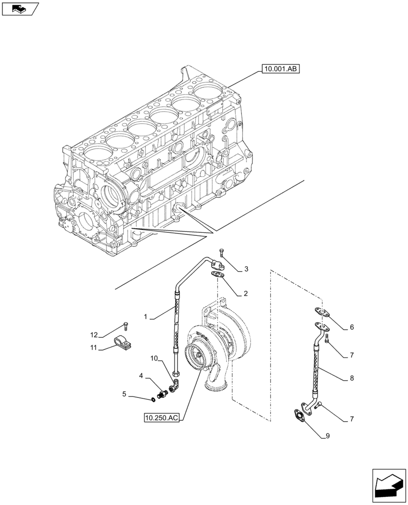
Запчасти Case IH F3HFE613D B002 (10.250.AD) - TURBOCHARGER LUBE LINE (10) - ENGINE

Схема запчастей Case IH F3HFE613D B002 - (10.250.AD) - TURBOCHARGER LUBE LINE (10) - ENGINE
6
1
9
10
2
11
8
10.001.ab
7
10.250.ac
home
5
3
7
4
12
FIT
1:1
100%

Артикул

Название

Примечание

Количество

1

5801551344

PIPE

1шт.

2

504352445

GASKET

1шт.

3

16586625

BOLT,M8 x 35mm

M8 x 35 mm

2шт.

4

504081274

HYD CONNECTOR

1шт.

5

5801560870

WASHER

1шт.

6

4891288

GASKET,0.8mm Thk

1шт.

7

16673635

BOLT,Hex, M8 x 1.25 x 20mm, Full Thd

M8 x 1.25 x 20 mm

4шт.

8

5801419739

TUBE

1шт.

9

99475979

GASKET

1шт.

10

16504114

ELBOW

1шт.

11

99431539

STEEL PLATE

1шт.

12

16597425

BOLT,Hex, M10 x 16mm, Cl 8.8

1шт.

Выбрано товаров: 12