Запчасти Case IH F3HFE613D B002 (10.304.AP) - ENGINE, VENT (10) - ENGINE

Схема запчастей Case IH F3HFE613D B002 - (10.304.AP) - ENGINE, VENT (10) - ENGINE
10.102.ak
1
10.001.ab
5
3
4
home
2
FIT
1:1
100%

Артикул

Название

Примечание

Количество

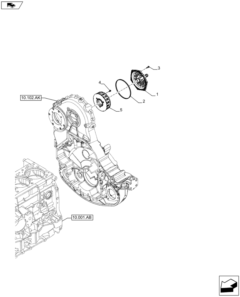
1

504387086

BREATHER

1шт.

2

504387088

SEAL

1шт.

3

16585925

SCREW,Hex, M6 x 25mm, Cl 8.8

6шт.

4

16585724

BOLT,M6 x 16mm, Cl 8.8

3шт.

5

504386973

ELEMENT

1шт.

Выбрано товаров: 5