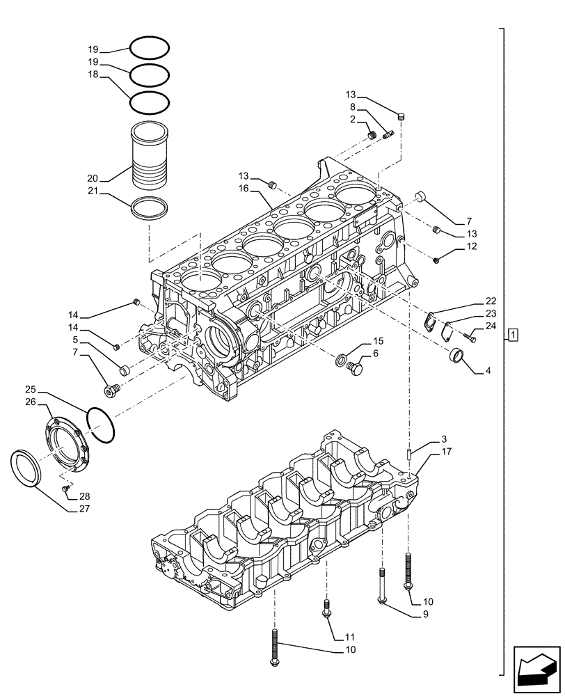
Запчасти Case IH F3HFE613F B007 (10.001.AB) - CRANKCASE (10) - ENGINE

Схема запчастей Case IH F3HFE613F B007 - (10.001.AB) - CRANKCASE (10) - ENGINE
7
7
11
12
18
13
6
28
25
27
20
8
19
10
4
9
13
24
23
3
2
5
1
14
16
19
13
17
22
15
10
14
21
26
FIT
1:1
100%

Артикул

Название

Примечание

Количество

1

5802012630

ASSY, Incl 2 - 17, 22 - 24

1шт.

2

99433597

SCREW

3шт.

3

99467554

DOWEL

4шт.

4

16991370

PLUG

2шт.

5

16990870

PLUG

3шт.

6

4665029

PLUG

3шт.

7

504120669

PLUG

1шт.

8

500368916

DOWEL

1шт.

9

504108192

SCREW,Flng, M18 x 2 x 196mm

14шт.

10

99432869

SCREW

25шт.

10

16675835

SCREW,M10 x 30mm

11шт.

10

2852172

BOLT,Flng, M10 x 1.5 x 70mm

1шт.

11

99433863

SCREW

1шт.

12

504051237

PLUG

1шт.

13

504051238

PLUG,Threaded, 3/8" Dia

3шт.

14

504138062

PLUG

2шт.

15

99469382

SEAL

3шт.

16

NSS

NOT SOLD SEPARAT

Crankcase, Incl. in 1

1шт.

17

NSS

NOT SOLD SEPARAT

Crankcase, Incl. in 1

1шт.

18

99455401

SEALING RING

6шт.

19

99455400

SEALING RING

12шт.

20

5801506235

SLEEVE CYLINDER

6шт.

21

99448193

SHIM,0.08mm Thk

6шт.

21

99448192

SHIM,0.10mm Thk

6шт.

21

99448190

SHIM,0.12mm Thk

6шт.

21

500378983

SHIM,0.14mm Thk

6шт.

22

504381689

GASKET

1шт.

23

504381566

COVER

1шт.

24

16673635

BOLT,Hex, M8 x 1.25 x 20mm, Full Thd

2шт.

25

17292781

O-RING

1шт.

26

504387089

COVER

1шт.

27

5801625923

OIL SEAL

1шт.

28

16586225

BOLT,M8 x 16mm

8шт.

Выбрано товаров: 33