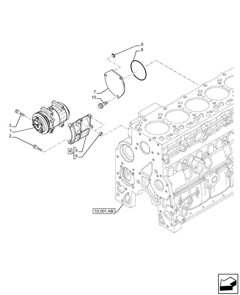
Запчасти Case IH F3HFE613F B007 (50.200.AA) - COMPRESSOR, AIR CONDITIONING, PART (50) - CAB CLIMATE CONTROL

Схема запчастей Case IH F3HFE613F B007 - (50.200.AA) - COMPRESSOR, AIR CONDITIONING, PART (50) - CAB CLIMATE CONTROL
10.001.ab
8
10
4
1
3
2
5
9
7
6
FIT
1:1
100%

Артикул

Название

Примечание

Количество

1

504078610

AIRCOND. COMPRESSOR

1шт.

2

16692324

BOLT

4шт.

2

504080093

BOLT

2шт.

3

16598325

BOLT,Hex, M8 x 100mm

2шт.

4

504078624

BRACKET, SUPPORTING

ASSY, Bracket, Incl 5, 6

1шт.

5

NSS

NOT SOLD SEPARAT

Support, Incl in 4

1шт.

6

17097024

WASHER

2шт.

7

504150292

COVER

1шт.

8

17292281

O-RING

1шт.

9

17281381

O-RING

1шт.

10

16587925

BOLT,Hex, M12 x 25mm

3шт.

Выбрано товаров: 11