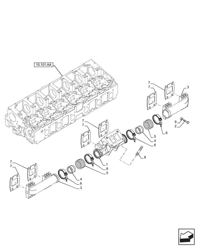
Запчасти Case IH F3HFE613G B001 (10.254.AC[02]) - EXHAUST MANIFOLD, FROM SERIAL NUMBER F3H22334 (10) - ENGINE

Схема запчастей Case IH F3HFE613G B001 - (10.254.AC[02]) - EXHAUST MANIFOLD, FROM SERIAL NUMBER F3H22334 (10) - ENGINE
10.101.aa
7
3
7
4
5
4
2
6
8
7
5
1
7
6
6
7
3
7
6
9
FIT
1:1
100%

Артикул

Название

Примечание

Количество

1

5801618088

MANIFOLD

1шт.

2

504078465

FLANGE BOLT,M10 x 1.5 x 70mm

24шт.

3

504030852

EXHAUST MANIFOLD

1шт.

4

99443770

RING

2шт.

5

504383383

SLEEVE

2шт.

6

504047549

RETAINER COLLAR

4шт.

7

504154280

GASKET

6шт.

8

99463138

STUD

2шт.

9

504074155

SPACER

20шт.

Выбрано товаров: 9