Запчасти Case IH F3HFE613G B002 (10.400.BB) - WATER PUMP (10) - ENGINE

Схема запчастей Case IH F3HFE613G B002 - (10.400.BB) - WATER PUMP (10) - ENGINE
home
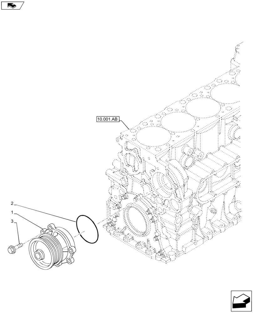
2
3
1
10.001.ab
FIT
1:1
100%

Артикул

Название

Примечание

Количество

1

5801635037

WATER PUMP

1шт.

2

14467281

O-RING,0.139" Thk x 5.484" ID, -254, Cl 7, 75 Duro

1шт.

3

16673635

BOLT,Hex, M8 x 1.25 x 20mm, Full Thd

M8 x 1.25 x 25 mm

4шт.

Выбрано товаров: 3