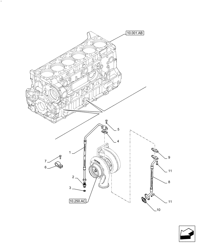
Запчасти Case IH F3HFE613H B007 (10.250.AD) - TURBOCHARGER LUBE LINE (10) - ENGINE

Схема запчастей Case IH F3HFE613H B007 - (10.250.AD) - TURBOCHARGER LUBE LINE (10) - ENGINE
7
8
11
4
2
1
10.250.ac
9
10
11
5
3
10.001.ab
6
FIT
1:1
100%

Артикул

Название

Примечание

Количество

1

5801497601

PIPE

1шт.

2

504081274

HYD CONNECTOR

1шт.

3

99489019

SEALING WASHER

1шт.

4

504352445

GASKET

1шт.

5

16586625

BOLT,M8 x 35mm

2шт.

6

10441390

COLLAR,12mm, Coat, 7mm Bolt Hole, P Type

1шт.

7

16585870

SCREW,Hex, M6 x 20mm

1шт.

8

5801497604

PIPE

1шт.

9

504361974

GASKET

1шт.

10

99475979

GASKET

1шт.

11

16673635

BOLT,Hex, M8 x 1.25 x 20mm, Full Thd

4шт.

Выбрано товаров: 11