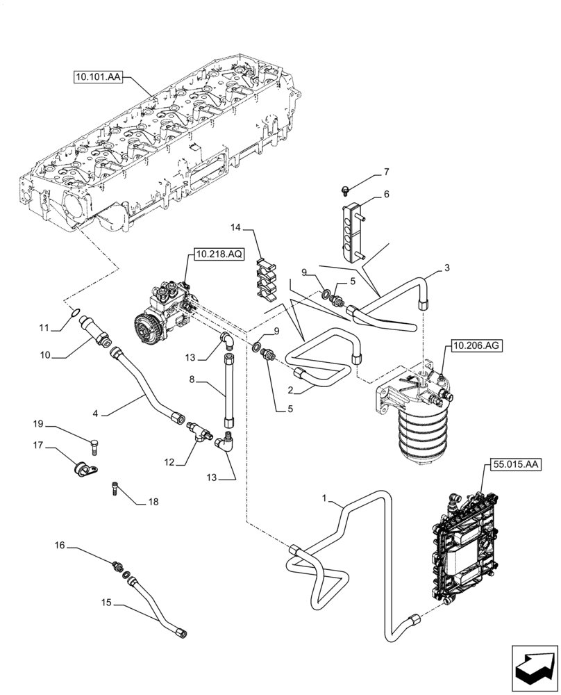
Запчасти Case IH F3JFE613A B001 (10.210.AF) - FUEL LINE (10) - ENGINE

Схема запчастей Case IH F3JFE613A B001 - (10.210.AF) - FUEL LINE (10) - ENGINE
8
5
12
5
6
7
10.101.aa
10.218.aq
9
13
9
13
19
17
4
55.015.aa
14
18
11
10.206.ag
10
1
3
16
15
2
FIT
1:1
100%

Артикул

Название

Примечание

Количество

1

5801744059

FUEL TUBE

1шт.

2

5801565599

FUEL TUBE

1шт.

3

5801565620

FUEL TUBE

1шт.

4

504388514

PIPE

1шт.

5

504081274

HYD CONNECTOR

2шт.

6

5801477879

CLAMP

2шт.

7

2853118

BOLT,Hex, M6 x 1 x 18mm

2шт.

8

504375711

PIPE

1шт.

9

4858609

WASHER,Brass

2шт.

10

500310076

FITTING

1шт.

11

5801560870

WASHER

4шт.

12

16506019

TEE

1шт.

13

16504114

ELBOW

2шт.

14

9706748

CLAMP,15.9mm, Coat, 8.7mm Bolt Hole, P Type

2шт.

15

5801744070

FUEL TUBE

1шт.

16

5801496226

HYD CONNECTOR

2шт.

17

5801609467

SUPPORT

1шт.

18

16673735

BOLT,Hex, M8 x 1.25 x 25mm

2шт.

19

16586225

BOLT,M8 x 16mm

2шт.

Выбрано товаров: 19