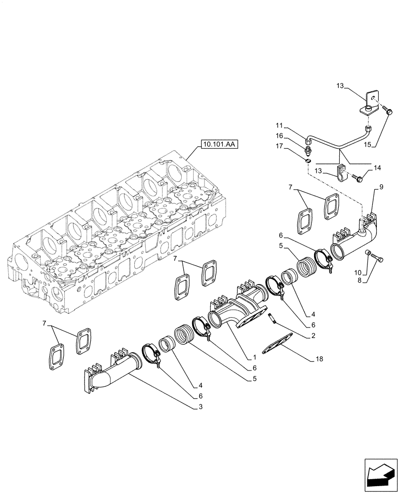
Запчасти Case IH F3JFE613A B002 (10.254.AC) - EXHAUST MANIFOLD (10) - ENGINE

Схема запчастей Case IH F3JFE613A B002 - (10.254.AC) - EXHAUST MANIFOLD (10) - ENGINE
13
4
6
5
5
2
3
18
4
11
9
16
7
7
17
7
6
14
6
8
1
10
6
15
10.101.aa
13
FIT
1:1
100%

Артикул

Название

Примечание

Количество

1

5801692171

EXHAUST MANIFOLD

1шт.

2

99463138

STUD

2шт.

3

504030852

EXHAUST MANIFOLD

1шт.

4

99443770

RING

2шт.

5

504383383

SLEEVE

2шт.

6

504047549

RETAINER COLLAR

4шт.

7

504154280

GASKET

6шт.

8

504078465

FLANGE BOLT,M10 x 1.5 x 70mm

24шт.

9

5801630869

MANIFOLD

1шт.

10

504074155

SPACER

24шт.

11

5801630045

PIPE FITTING

1шт.

12

5801630049

RETAINER

1шт.

13

17316392

COLLAR

1шт.

14

16673635

BOLT,Hex, M8 x 1.25 x 20mm, Full Thd

M8 x 1,25 x 20 mm

1шт.

15

18137825

BOLT,Hex, M6 x 16mm

2шт.

16

5801628752

UNION

1шт.

17

5801802965

SEAL

1шт.

18

4512366

GASKET,0.5mm Thk

1шт.

Выбрано товаров: 18