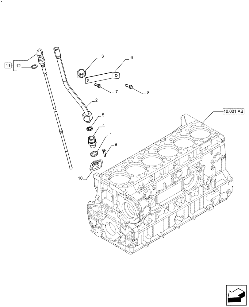
Запчасти Case IH F3JFE613A B002 (10.304.AJ) - ENGINE OIL, DIPSTICK (10) - ENGINE

Схема запчастей Case IH F3JFE613A B002 - (10.304.AJ) - ENGINE OIL, DIPSTICK (10) - ENGINE
6
11
7
5
1
4
3
8
2
10
9
10.001.ab
12
FIT
1:1
100%

Артикул

Название

Примечание

Количество

1

5167640

SEALING WASHER,14.09mm ID x 26.45mm OD x 1.5mm Thk

1шт.

2

5801883771

TUBE

1шт.

3

5801883786

BRACKET

1шт.

4

504023175

HYD CONNECTOR

1шт.

5

14458681

O-RING,1.487" ID x 0.103" Width

1шт.

6

17315093

BRACKET

1шт.

7

16586225

BOLT,M8 x 16mm

1шт.

8

16978124

BOLT,Hex, M6 x 14mm

1шт.

9

2854311

SCREW,Hex, Flg Hd, M8 x 1.25 x 18mm

2шт.

10

5801475380

FLANGE

1шт.

11

5801883775

DIPSTICK

Assy; incl 12

1шт.

12

504027969

SEALING RING

1шт.

Выбрано товаров: 12