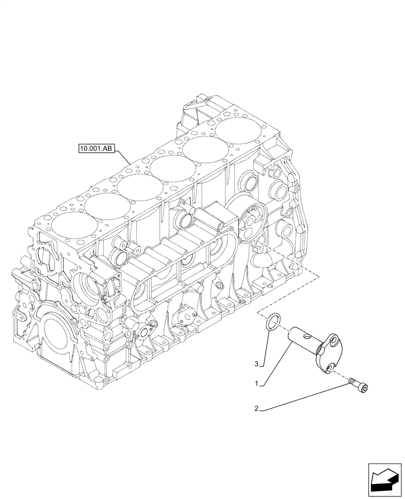
Запчасти Case IH F3JFE613A B002 (10.304.AM) - PRESSURE CONTROL VALVE (10) - ENGINE

Схема запчастей Case IH F3JFE613A B002 - (10.304.AM) - PRESSURE CONTROL VALVE (10) - ENGINE
3
1
2
10.001.ab
FIT
1:1
100%

Артикул

Название

Примечание

Количество

1

500378929

VALVE

ASSY; Incl 3; 4

1шт.

2

16586324

BOLT,Hex, M8 x 20mm, Cl 8.8, Full Thd

M8 x1,25 x 20 mm

2шт.

3

14463481

O-RING,1.109" ID x 0.139" Width

D=28,1 mm; Sp=3,5 mm

1шт.

Выбрано товаров: 3