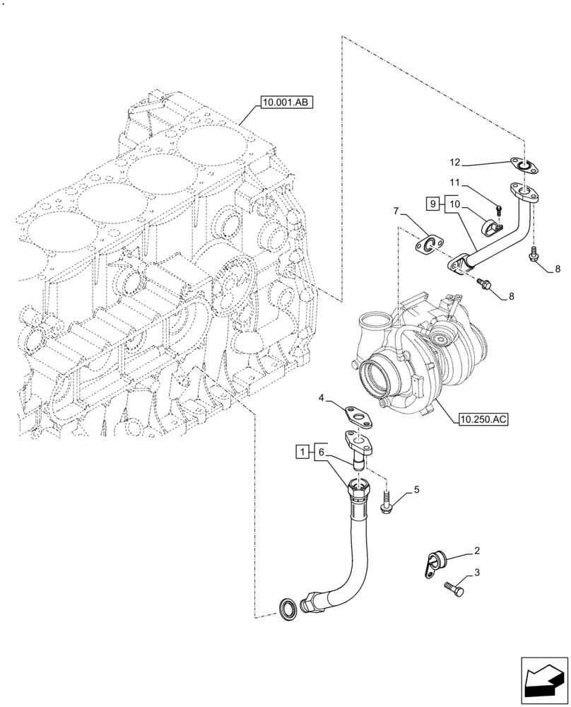
Запчасти Case IH F3JFE613A B003 (10.250.AD) - TURBOCHARGER OIL SUPPLY LINE (10) - ENGINE

Схема запчастей Case IH F3JFE613A B003 - (10.250.AD) - TURBOCHARGER OIL SUPPLY LINE (10) - ENGINE
10.001.ab
3
8
1
4
7
10
9
11
10.250.ac
5
8
6
12
2
FIT
1:1
100%

Артикул

Название

Примечание

Количество

1

5801692222

SUCTION PIPE

Assy; incl 6

1шт.

2

17316592

COLLAR

1шт.

3

16597925

BOLT,Hex, M8 x 14mm

1шт.

4

504352445

GASKET

1шт.

5

16586625

BOLT,M8 x 35mm

2шт.

6

NSS

NOT SOLD SEPARAT

fitting; incl in 1

1шт.

7

504352448

GASKET

1шт.

8

16673635

BOLT,Hex, M8 x 1.25 x 20mm, Full Thd

4шт.

9

5801692249

PIPE

Assy; incl 10

1шт.

10

NSS

NOT SOLD SEPARAT

clip; incl in 9

1шт.

11

16597925

BOLT,Hex, M8 x 14mm

1шт.

12

5801567664

GASKET

1шт.

Выбрано товаров: 12