Качественные детали и логистика
Оригинальные и аналоговые запчасти с доставкой по России, Казахстану и Беларуси
©2022 PartSell ООО "Система" ИНН 2463123282 ОГРН 1212400004838
Центральный офис: г. Красноярск, Академика Киренского, д.87, пом.4
Телефон: 8 (800) 777-65-74 Email: zakaz@partsell.ru
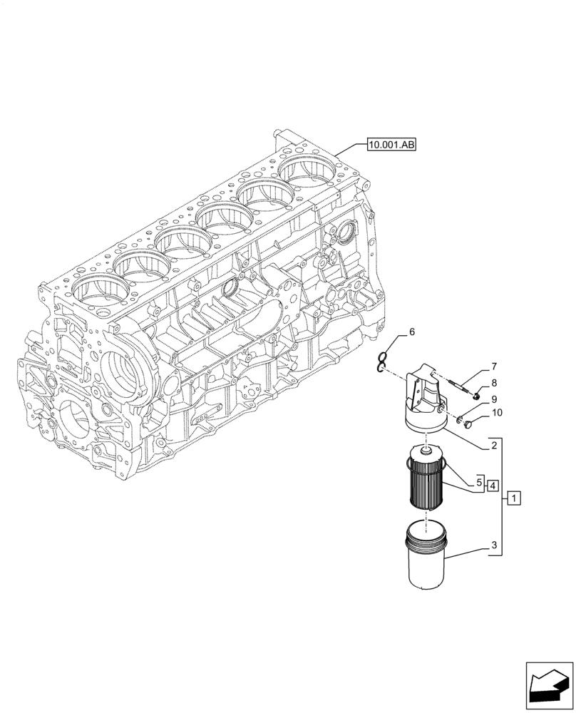
(10.304.AE) - ENGINE OIL FILTER
№
Артикул
Название
Примечание
Количество
1
5801782801
ENGINE OIL FILTER
Assy; Incl 2 - 5
1шт.
2
NSS
NOT SOLD SEPARAT
Oil Filter Support; Incl. in 1
3
5801415499
FILTER BOWL
4
5801415504
ELEMENT
Assy; Incl 5
5
O-Ring; Incl. in 4
6
5801415498
GASKET
7
5801784106
STUD
4шт.
8
17044725
NUT,Hex, M8
10шт.
9
5801398260
SEAL
10
16992511
PLUG
Выбрано товаров: 0