Запчасти Case IH F3JFE613A B004 (10.106.AA) - CAMSHAFT (10) - ENGINE

Схема запчастей Case IH F3JFE613A B004 - (10.106.AA) - CAMSHAFT (10) - ENGINE
5
1
2
10.101.aa
8
3
10.102.ak
9
6
7
4
FIT
1:1
100%

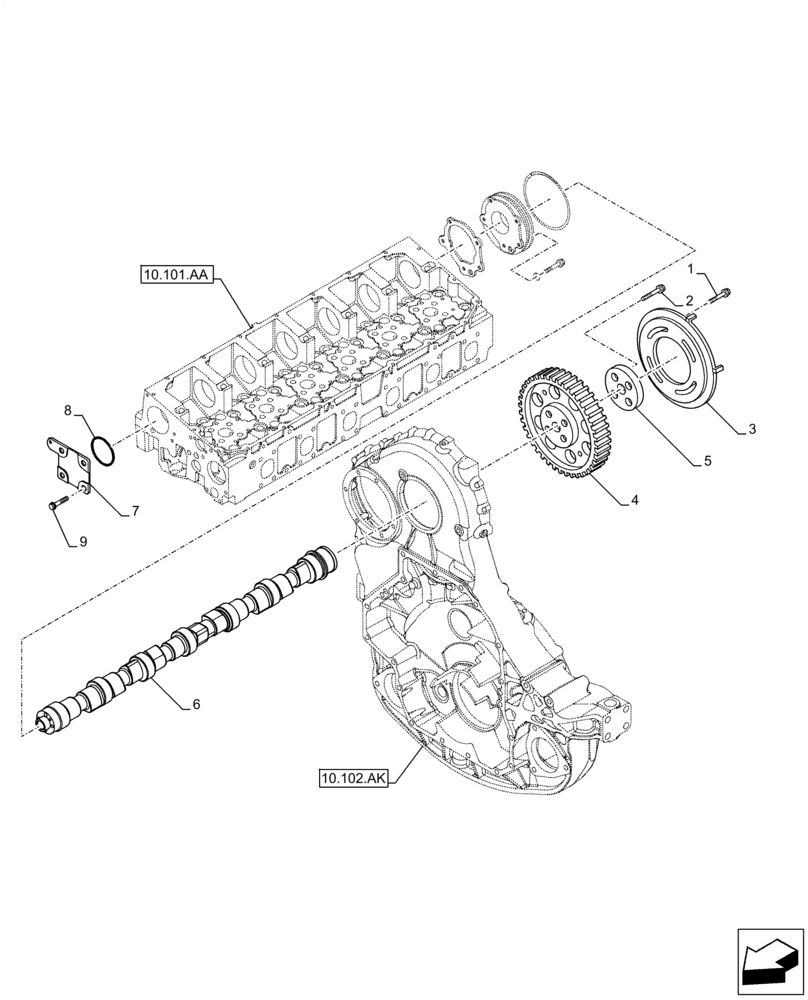
Артикул

Название

Примечание

Количество

1

504367230

SCREW

4шт.

2

99431774

BOLT

4шт.

3

504374044

PLATE

1шт.

4

504369842

GEAR

1шт.

5

98496024

SPACER

1шт.

6

504384173

CAMSHAFT

1шт.

7

504204255

COVER

1шт.

8

17290781

O-RING,78.97mm ID x 3.53mm

1шт.

9

18139424

SCREW,Hex, M10 x 20mm

4шт.

Выбрано товаров: 0