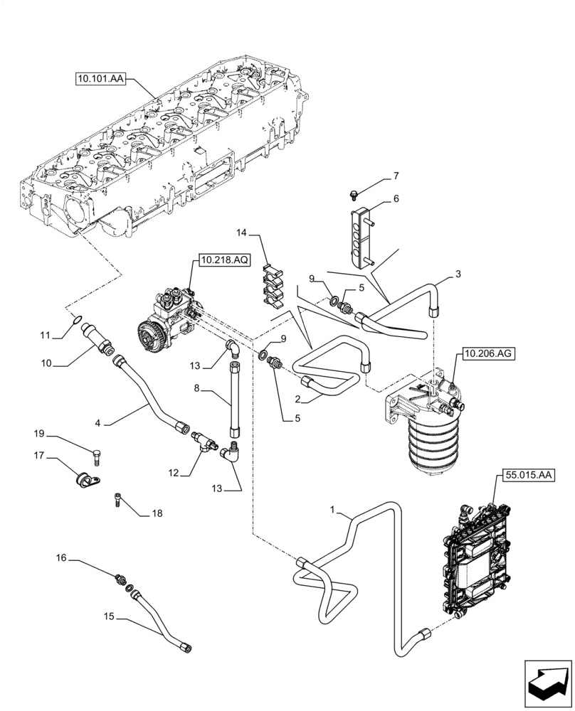
Запчасти Case IH F3JFE613A B004 (10.210.AF) - FUEL LINE (10) - ENGINE

Схема запчастей Case IH F3JFE613A B004 - (10.210.AF) - FUEL LINE (10) - ENGINE
11
1
10.206.ag
14
16
7
18
5
6
10.218.aq
19
9
4
5
13
2
12
13
15
10.101.aa
10
17
3
55.015.aa
8
9
FIT
1:1
100%

Артикул

Название

Примечание

Количество

1

5801744059

FUEL TUBE

1шт.

2

5801565599

FUEL TUBE

1шт.

3

5801565620

FUEL TUBE

1шт.

4

504388514

PIPE

1шт.

5

504081274

HYD CONNECTOR

2шт.

6

5801477879

CLAMP

2шт.

7

16597225

BOLT,M6 x 18mm

2шт.

8

504375711

PIPE

1шт.

9

16508260

GASKET,16mm ID x 22mm OD x 1.5mm

2шт.

10

500310076

FITTING

1шт.

11

5801560870

WASHER

4шт.

12

16506019

TEE

1шт.

13

16504114

ELBOW

2шт.

14

99453771

RETAINER

2шт.

15

5801744070

FUEL TUBE

1шт.

16

5801496226

HYD CONNECTOR

2шт.

17

5801609467

SUPPORT

1шт.

18

16673735

BOLT,Hex, M8 x 1.25 x 25mm

2шт.

19

16586225

BOLT,M8 x 16mm

2шт.

Выбрано товаров: 0