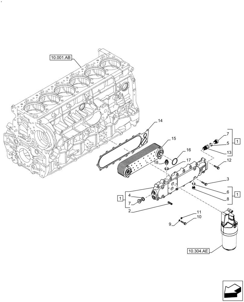
Запчасти Case IH F3JFE613A B004 (10.408.AC) - HEAT EXCHANGER (10) - ENGINE

Схема запчастей Case IH F3JFE613A B004 - (10.408.AC) - HEAT EXCHANGER (10) - ENGINE
7
16
5
10.304.ae
3
7
1
4
17
10
13
8
11
12
14
10.001.ab
1
6
15
1
18
2
9
FIT
1:1
100%

Артикул

Название

Примечание

Количество

1

5801693132

BODY

Assy; Incl 2-8; 13-12

1шт.

2

99435557

DOWEL,8.50mm Dia

1шт.

3

16592225

BOLT,M8 x 55mm

1шт.

4

16571960

GASKET

2шт.

5

5801560863

WASHER

2шт.

6

5801560870

WASHER

1шт.

7

16993511

PLUG,Lock, M28 x 1.5

4шт.

8

16992415

PLUG,M16 x 1.5

1шт.

9

98474303

WASHER,8mm ID x 14mm OD x 2.3mm Thk

4шт.

10

16586825

BOLT,Hex, M8 x 1.25 x 45mm

4шт.

11

5801535270

SPACER

2шт.

12

16586725

BOLT,Hex, M8 x 1.25 x 40mm

16шт.

13

5801458893

VALVE

1шт.

14

504388425

GASKET

1шт.

15

5801600721

OIL COOLER

1шт.

16

17289781

O-RING

2шт.

17

99489022

GASKET,22mm ID x 30mm OD x 1.50mm Thk

1шт.

18

41031570

UNION

1шт.

Выбрано товаров: 18