Качественные детали и логистика
Оригинальные и аналоговые запчасти с доставкой по России, Казахстану и Беларуси
©2022 PartSell ООО "Система" ИНН 2463123282 ОГРН 1212400004838
Центральный офис: г. Красноярск, Академика Киренского, д.87, пом.4
Телефон: 8 (800) 777-65-74 Email: zakaz@partsell.ru
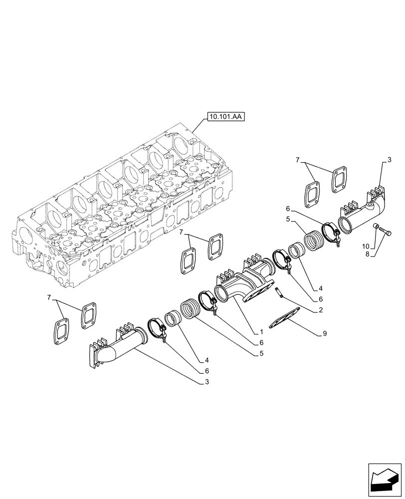
(10.254.AC) - EXHAUST MANIFOLD
№
Артикул
Название
Примечание
Количество
1
5801692171
EXHAUST MANIFOLD
1шт.
2
99463138
STUD
4шт.
3
504030852
2шт.
4
99443770
RING
5
504383383
SLEEVE
6
504047549
RETAINER COLLAR
7
504154280
GASKET
6шт.
8
504078465
FLANGE BOLT,M10 x 1.5 x 70mm
24шт.
9
99456095
10
504074155
SPACER
Выбрано товаров: 0