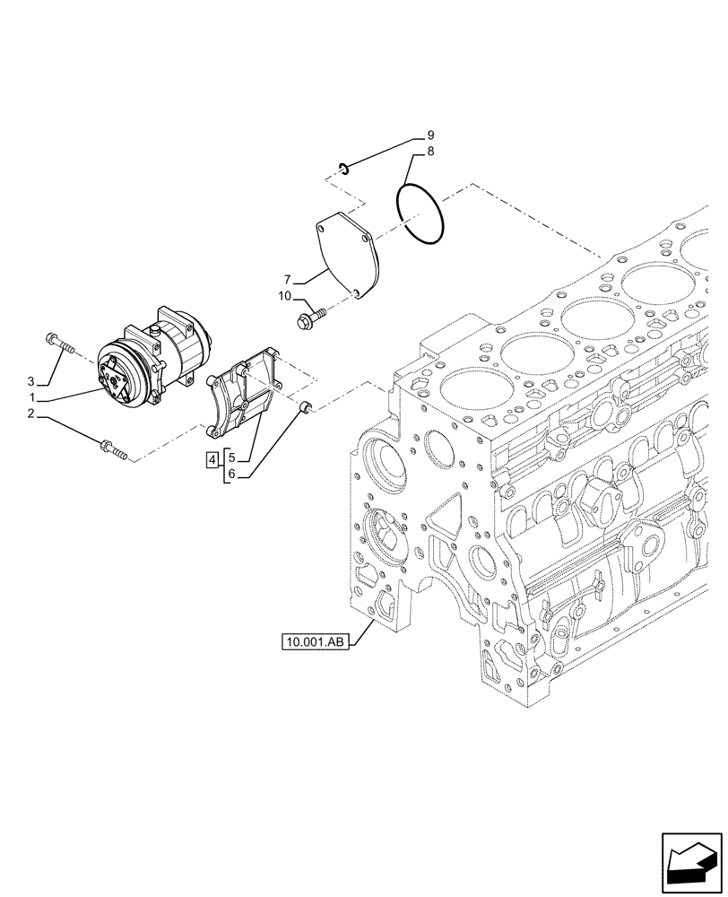
Запчасти Case IH F3JFE613B B006 (50.200.AA[01]) - AIR COMPRESSOR, SUPPORT (50) - CAB CLIMATE CONTROL

Схема запчастей Case IH F3JFE613B B006 - (50.200.AA[01]) - AIR COMPRESSOR, SUPPORT (50) - CAB CLIMATE CONTROL
3
10
4
7
6
9
5
1
2
8
10.001.ab
FIT
1:1
100%

Артикул

Название

Примечание

Количество

1

504078610

AIRCOND. COMPRESSOR

1шт.

2

16652324

4шт.

2

504080093

BOLT

2шт.

3

2852172

BOLT,Flng, M10 x 1.5 x 70mm

2шт.

4

504078624

BRACKET, SUPPORTING

ASSY, Incl 5, 6

1шт.

5

NSS

NOT SOLD SEPARAT

Support, Incl in 4

1шт.

6

17097024

WASHER

2шт.

7

504150292

COVER

1шт.

8

17292281

O-RING

1шт.

9

17281381

O-RING

1шт.

10

16587925

BOLT,Hex, M12 x 25mm

3шт.

10

16598325

BOLT,Hex, M8 x 100mm

10шт.

Выбрано товаров: 12