Качественные детали и логистика
Оригинальные и аналоговые запчасти с доставкой по России, Казахстану и Беларуси
©2022 PartSell ООО "Система" ИНН 2463123282 ОГРН 1212400004838
Центральный офис: г. Красноярск, Академика Киренского, д.87, пом.4
Телефон: 8 (800) 777-65-74 Email: zakaz@partsell.ru
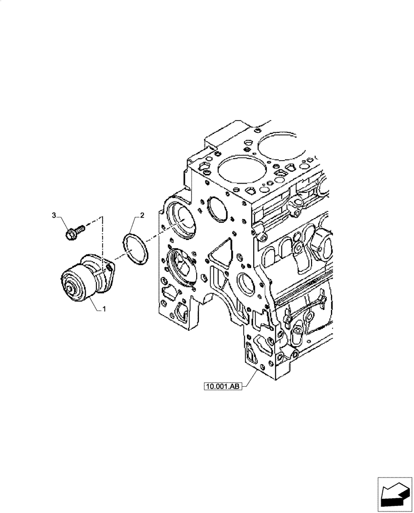
(10.400.BB) - WATER PUMP
№
Артикул
Название
Примечание
Количество
1
2856893
WATER PUMP
1шт.
2
2852047
SEALING RING,Square, 5.16mm Thk x 88.27mm ID
3
4899079
SCREW,Hex Flg, M8 x 1.25 x 25
2шт.
Выбрано товаров: 3