Качественные детали и логистика
Оригинальные и аналоговые запчасти с доставкой по России, Казахстану и Беларуси
©2022 PartSell ООО "Система" ИНН 2463123282 ОГРН 1212400004838
Центральный офис: г. Красноярск, Академика Киренского, д.87, пом.4
Телефон: 8 (800) 777-65-74 Email: zakaz@partsell.ru
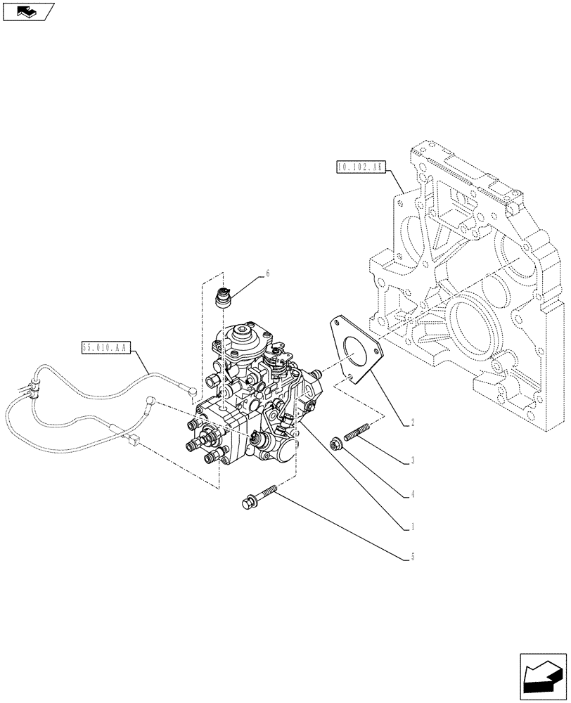
(10.218.AQ) - FUEL INJECTION PUMP
№
Артикул
Название
Примечание
Количество
1
2856742
FUEL INJECTION PUMP
ASSY
1шт.
504277094
2
2831123
GASKET
3
2852989
STUD
2шт.
4
4899003
FLANGE NUT,M8 x 1.25
5
2852610
SCREW,Shearing, M8 x 1.25 x 27mm
Shearing, M8 x 1.25 x 27 mm
6
2852741
SOLENOID
Выбрано товаров: 0