Запчасти Case IH F4CE9484L J600 (10.110.AC) - DYNAMIC BALANCER (10) - ENGINE

Схема запчастей Case IH F4CE9484L J600 - (10.110.AC) - DYNAMIC BALANCER (10) - ENGINE
12
13
3
5
13
4
15
home
13
13
11
16
2
13
1
17
13
19
13
13
12
14
6
18
8
20
7
10
9
FIT
1:1
100%

Артикул

Название

Примечание

Количество

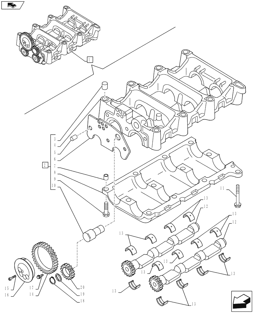
1

2855743

BALANCER

ASSY, Incl 2 - 20

1шт.

2

2831300

HOUSING

ASSY, Incl 3 - 9

1шт.

3

4899027

DOWEL,M14.05 x 14 L

2шт.

4

NSS

NOT SOLD SEPARAT

Upper Support, Incl in 2

1шт.

5

2831305

DOWEL,M8 x 17 L

1шт.

6

2855746

THRUST PLATE

1шт.

7

4891209

DOWEL,M13 x 8 L

6шт.

8

NSS

NOT SOLD SEPARAT

Lower Support, Incl in 2

1шт.

9

4895323

FLANGE BOLT,Hex, M8 x 1.25 x 40mm

12шт.

10

2830948

IDLE SHAFT

1шт.

11

4899109

SCREW,Hex, M10 x 1.5 x 80

7шт.

11

4897934

SCREW,Hex, Flg Hd, M10 x 100

1шт.

12

2831354

SHAFT

2шт.

13

8093883

SET OF STD MAIN BRGS

16шт.

14

4896947

IDLER GEAR

1шт.

15

2830433

HEX SOC SCREW

5шт.

16

2831031

IDLE SHAFT

1шт.

17

4895586

SCREW,Hex, Flg Hd, M8 x 16

3шт.

18

4897125

SNAP RING,Ext, M23

1шт.

19

2855753

THRUST PLATE

1шт.

20

4897048

IDLER GEAR

1шт.

Выбрано товаров: 21