Качественные детали и логистика
Оригинальные и аналоговые запчасти с доставкой по России, Казахстану и Беларуси
©2022 PartSell ООО "Система" ИНН 2463123282 ОГРН 1212400004838
Центральный офис: г. Красноярск, Академика Киренского, д.87, пом.4
Телефон: 8 (800) 777-65-74 Email: zakaz@partsell.ru
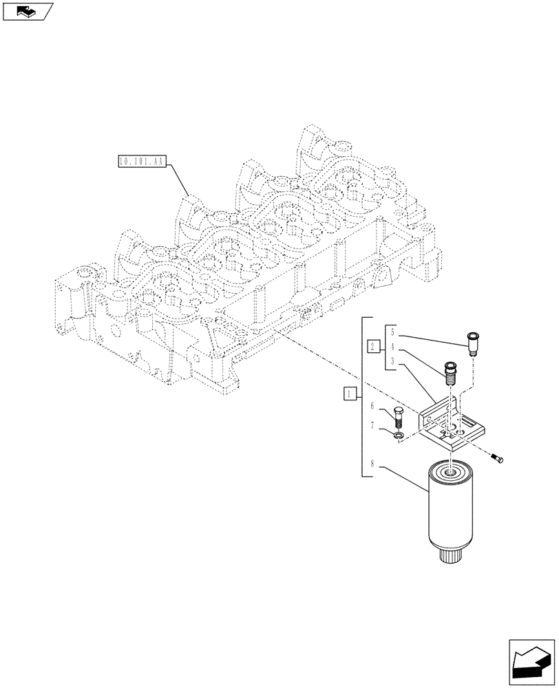
(10.206.AG) - FUEL FILTER
№
Артикул
Название
Примечание
Количество
1
87803116
FILTER ASSY
ASSY, Incl 2-9
1шт.
2
504332509
FILTER HEAD
ASSY, Incl 3-5
3
NSS
NOT SOLD SEPARAT
Bracket, Incl in 2
4
2830454
ADAPTER,M12 x 1.5
2шт.
5
2830453
ADAPTER,M16 x 1.5
6
2859159
PLUG,Hex, M8 x 1.5
7
2859160
GASKET
Fittings & O-Rings are NSS
8
84565884
FUEL FILTER,75.8mm OD x 172mm L, M16 x 1.5 - 6H
9
2852212
FLANGE BOLT,Hex, M8 x 1.25 x 25mm
Выбрано товаров: 0