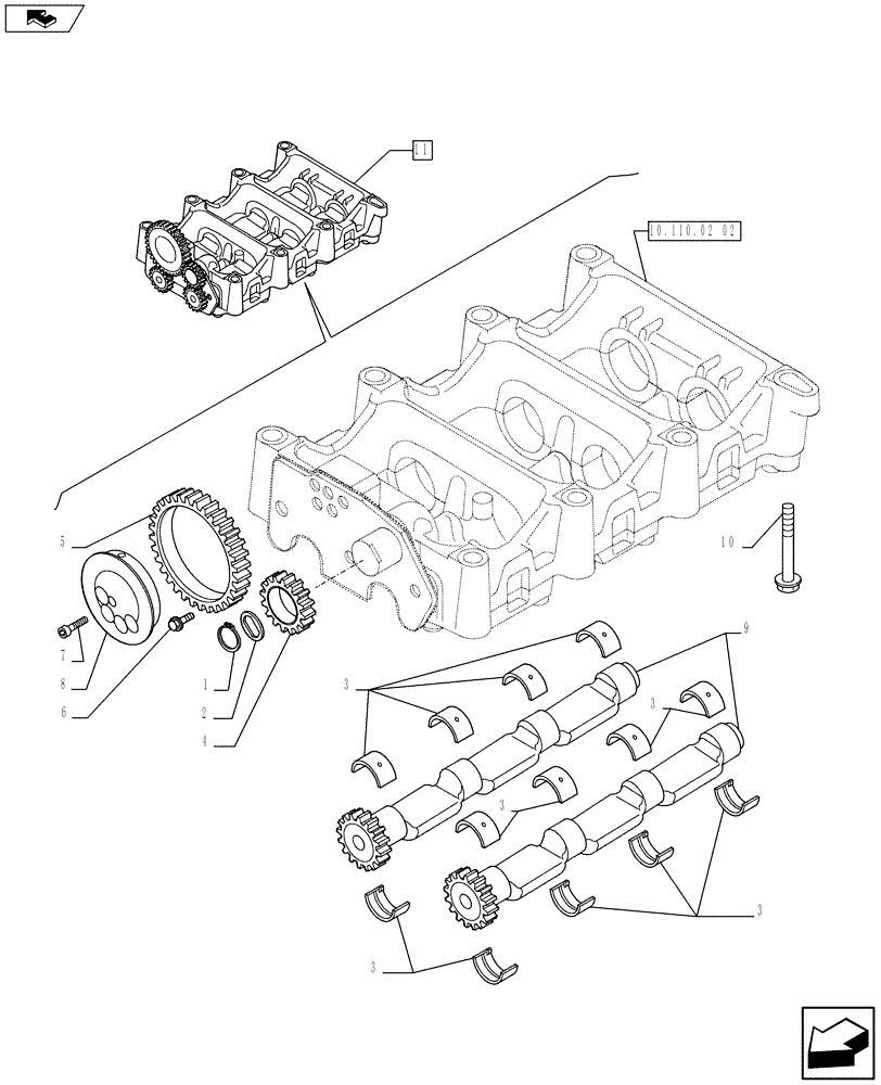
Запчасти Case IH F4CE9484L J602 (10.110.02[01]) - DYNAMIC BALANCER, GEARS & SHAFTS (2855742) (10) - ENGINE

Схема запчастей Case IH F4CE9484L J602 - (10.110.02[01]) - DYNAMIC BALANCER, GEARS & SHAFTS (2855742) (10) - ENGINE
2
6
4
9
10.110.02 02
10
11
7
3
3
5
8
1
3
3
home
3
FIT
1:1
100%

Артикул

Название

Примечание

Количество

1

2852870

SNAP RING,Ext, M23

Ext, M23

1шт.

2

2855753

THRUST PLATE

1шт.

3

8093883

SET OF STD MAIN BRGS

16шт.

4

4897048

IDLER GEAR

1шт.

5

4896947

IDLER GEAR

1шт.

6

4895586

SCREW,Hex, Flg Hd, M8 x 16

3шт.

7

2830433

HEX SOC SCREW

5шт.

8

2831031

IDLE SHAFT

1шт.

9

2831354

SHAFT

2шт.

10

4899109

SCREW,Hex, M10 x 1.5 x 80

7шт.

10

4897934

SCREW,Hex, Flg Hd, M10 x 100

1шт.

11

2855743

BALANCER

ASSY

1шт.

Выбрано товаров: 12