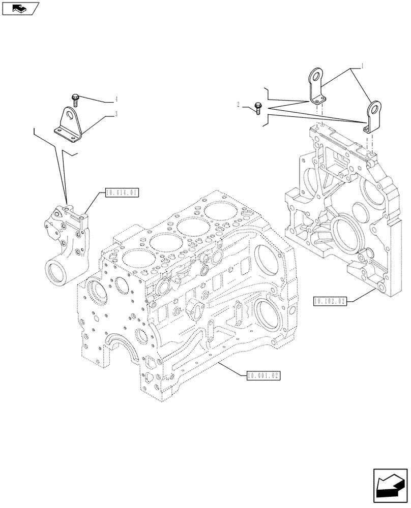
Запчасти Case IH F4CE9484L J602 (10.012.04) - HOOKS - ENGINE (2855042) (10) - ENGINE

Схема запчастей Case IH F4CE9484L J602 - (10.012.04) - HOOKS - ENGINE (2855042) (10) - ENGINE
1
4
3
2
home
10.102.02
10.414.01
10.001.02
FIT
1:1
100%

Артикул

Название

Примечание

Количество

1

2853015

BRACKET

3шт.

2

2852355

SCREW

4шт.

3

2853667

BRACKET

1шт.

4

4893078

SCREW,Hex Flg, M10 x 1.5 x 20

2шт.

Выбрано товаров: 4