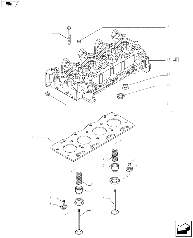
Запчасти Case IH F4CE9484L J602 (10.101.01) - CYLINDER HEAD (2856015) (10) - ENGINE

Схема запчастей Case IH F4CE9484L J602 - (10.101.01) - CYLINDER HEAD (2856015) (10) - ENGINE
home
13
4
8
9
2
11
7
1
8
10
4
3a
5
3
9
7
6
12
FIT
1:1
100%

Артикул

Название

Примечание

Количество

1

4892861

CAPTIVE WASHER SCREW,Wash Hd, M12 x 1.75 x 73

4шт.

1

4892859

BOLT,Flng, M12 x 1.75 x 143mm

10шт.

2

4895085

EXPANSION PLUG,25.74mm

1шт.

3

2856016

CYLINDER HEAD,4 Cylinders

ASSY, Incl.Ref.2, 3A, 10, 12, 13

1шт.

3a

NSS

NOT SOLD SEPARAT

1шт.

4

4895183

COLLET

16шт.

5

4895188

STD EXHAUST VALVE

STD ENGINE EXHAUST VALVE

4шт.

6

4895187

STD INLET VALVE

STD ENGINE INLET VALVE

4шт.

7

4895347

SEAL

8шт.

8

4895215

VALVE SPRING,Compression, 32.8mm OD x 63.5 mmL

8шт.

9

4895184

RETAINER,34mm OD, 10.63mm ID, 14.5mm L

8шт.

10

4897179

VALVE SEAT,38 mmID x 47mm OD x 6.9mm L

Intake

4шт.

11

2830919

CYLINDER HEAD GASKET,1.4mm Thk

1шт.

11

2830920

CYLINDER HEAD GASKET,1.15mm Thk

1шт.

12

4895179

EXPANSION PLUG,M20.93

3шт.

13

4897178

VALVE SEAT,36mm ID x 43mm OD x 6.7mm L

Exhaust

4шт.

Выбрано товаров: 16