Запчасти Case IH F4CE9484L J603 (10.218.04) - INJECTION EQUIPMENT - PIPING (2854341) (10) - ENGINE

Схема запчастей Case IH F4CE9484L J603 - (10.218.04) - INJECTION EQUIPMENT - PIPING (2854341) (10) - ENGINE
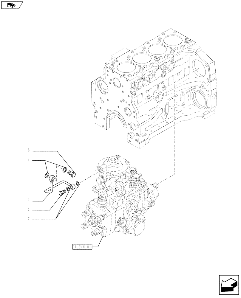
5
4
10.246.01
3
2
1
home
FIT
1:1
100%

Артикул

Название

Примечание

Количество

1

4893081

TUBE

1шт.

2

4899010

SEALING WASHER,10.2mm ID x 13.4mm OD x 1mm Thk

1шт.

3

2830360

BANJO BOLT

1шт.

4

2830507

SEALING WASHER,7.8mm ID x 14mm OD x 1mm Thk

2шт.

5

4893096

BANJO BOLT,Hex, M10 x 1 x 19mm

1шт.

Выбрано товаров: 5