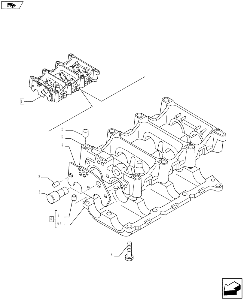
Запчасти Case IH F4CE9484L J603 (10.110.02[02]) - DYNAMIC BALANCER, GEARS & SHAFTS (2855742) (10) - ENGINE

Схема запчастей Case IH F4CE9484L J603 - (10.110.02[02]) - DYNAMIC BALANCER, GEARS & SHAFTS (2855742) (10) - ENGINE
7
8
2
5
4
home
6
9
3
1
6a
FIT
1:1
100%

Артикул

Название

Примечание

Количество

1

2855744

HOUSING

ASSY Contains Ref.2 - 9

1шт.

2

4899027

DOWEL,M14.05 x 14 L

2шт.

3

2830948

IDLE SHAFT

1шт.

4

2855746

THRUST PLATE

1шт.

5

2831303

HOUSING

1шт.

6

2831302

HOUSING

ASSY Contains Ref.6A, 7

1шт.

6a

NSS

NOT SOLD SEPARAT

1шт.

7

4891209

DOWEL,M13 x 8 L

6шт.

8

4895323

FLANGE BOLT,Hex, M8 x 1.25 x 40mm

12шт.

9

2831305

DOWEL,M8 x 17 L

1шт.

Выбрано товаров: 10