Запчасти Case IH F4CE9484L J603 (10.408.01) - HEAT EXCHANGER - ENGINE (2854224 - 2856550) (10) - ENGINE

Схема запчастей Case IH F4CE9484L J603 - (10.408.01) - HEAT EXCHANGER - ENGINE (2854224 - 2856550) (10) - ENGINE
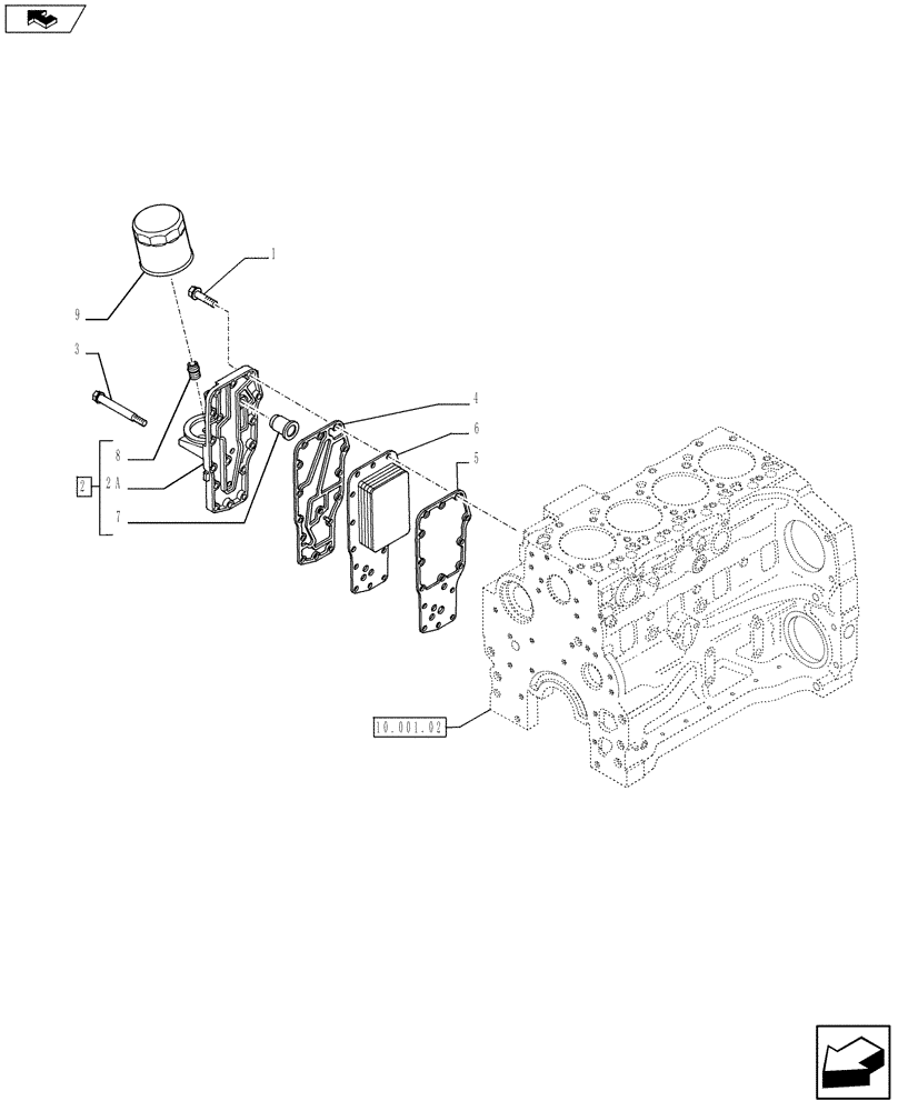
2
5
3
4
1
6
10.001.02
7
home
2a
8
9
FIT
1:1
100%

Артикул

Название

Примечание

Количество

1

4899019

SCREW,Hex Flg, M8 x 1.25 x 35

13шт.

2

2830674

FILTER HEAD

ASSY

1шт.

2a

NSS

NOT SOLD SEPARAT

1шт.

3

4895609

BOLT,Flng, M8 x 1.25 x 100mm

2шт.

4

2831317

GASKET,0.9mm Thk

1шт.

5

2830559

GASKET,0.5mm Thk

1шт.

6

4896406

HEAT EXCHANGER

1шт.

7

J936365

VALVE PRESSURE RELIE

1шт.

8

4893391

ADAPTER,M24 x 2 x M27 x 2

1шт.

9

2856715

ENGINE OIL FILTER

1шт.

Выбрано товаров: 10