Качественные детали и логистика
Оригинальные и аналоговые запчасти с доставкой по России, Казахстану и Беларуси
©2022 PartSell ООО "Система" ИНН 2463123282 ОГРН 1212400004838
Центральный офис: г. Красноярск, Академика Киренского, д.87, пом.4
Телефон: 8 (800) 777-65-74 Email: zakaz@partsell.ru
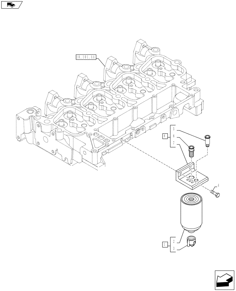
(10.206.AG) - FUEL FILTER
№
Артикул
Название
Примечание
Количество
1
2853543
FILTER ASSY
ASSY, Incl 2, 3
1шт.
2
84171722
FUEL FILTER
3
2853585
SENSOR
Water Drain and Sensor
4
4899079
SCREW,Hex Flg, M8 x 1.25 x 25
2шт.
5
2830453
ADAPTER,M16 x 1.5
6
2830454
ADAPTER,M12 x 1.5
7
NSS
NOT SOLD SEPARAT
Bracket, Incl in 8
8
2830455
FILTER HEAD
ASSY, Incl 5 - 6
Выбрано товаров: 0