Качественные детали и логистика
Оригинальные и аналоговые запчасти с доставкой по России, Казахстану и Беларуси
©2022 PartSell ООО "Система" ИНН 2463123282 ОГРН 1212400004838
Центральный офис: г. Красноярск, Академика Киренского, д.87, пом.4
Телефон: 8 (800) 777-65-74 Email: zakaz@partsell.ru
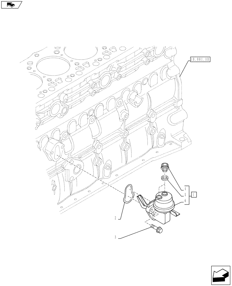
(10.210.AO) - FUEL PUMP
№
Артикул
Название
Примечание
Количество
1
2830266
FUEL PUMP
ASSY, Incl 4 - 6
1шт.
2
2830156
O-RING,70 Duro, M2.62 Thk
3
4899031
BOLT,Flng, M8 x 1.25 x 25mm
2шт.
4
4890964
FITTING,M12 x 1.5
5
4894721
SEALING WASHER,12.2mm ID x 17mm OD x 1.5mm Thk
6
NSS
NOT SOLD SEPARAT
Body pump, Incl in 1
Выбрано товаров: 0