Запчасти Case IH F4CE9487N J603 (10.218.AF) - FUEL INJECTOR (10) - ENGINE

Схема запчастей Case IH F4CE9487N J603 - (10.218.AF) - FUEL INJECTOR (10) - ENGINE
3
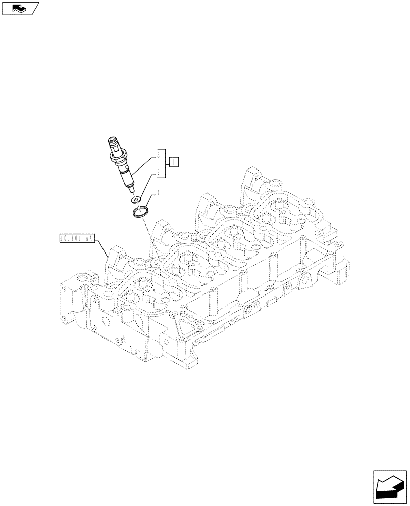
10.101.aa
2
1
home
4
FIT
1:1
100%

Артикул

Название

Примечание

Количество

1

2856255

FUEL SYSTEM INJECTOR

ASSY, Incl 2, 3

4шт.

2

2856436

SEALING WASHER,7.3mm ID x 15mm OD x 1.5mm Thk

4шт.

3

NSS

NOT SOLD SEPARAT

Injector, Incl in 1

1шт.

4

4895297

SEAL,7.3mm ID x 15mm OD x 2.5mm THK

4шт.

Выбрано товаров: 4