Запчасти Case IH F4CE9487N J603 (10.001.AB) - CRANKCASE (10) - ENGINE

Схема запчастей Case IH F4CE9487N J603 - (10.001.AB) - CRANKCASE (10) - ENGINE
7
5
19
12
7
16
10.105.ag
10.106.aa
10
home
11
3
5
8
6
15
4
20
2
9
17
13
12
10.101.aa
18
1
14
6
FIT
1:1
100%

Артикул

Название

Примечание

Количество

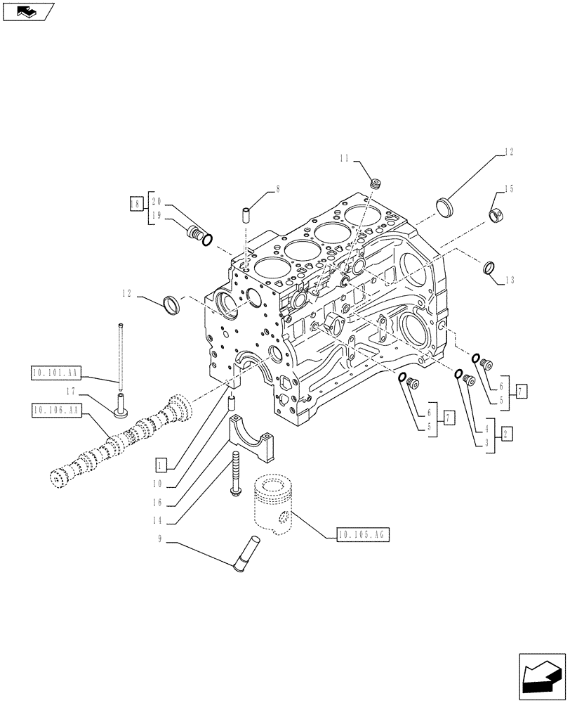
1

2830777

CYLINDER BLOCK

ASSY, Incl 10 - 16, Serial Range: -C6681

1шт.

1

2859416

CYLINDER BLOCK

ASSY, Incl 10 - 16, Start Serial: D6681

1шт.

2

4895623

HEX SOCKET PLUG,M16 x 1.5

ASSY, Incl 3, 4

1шт.

3

4895625

O-RING,13.3mm ID x 2.2mm Width

1шт.

4

NSS

NOT SOLD SEPARAT

Plug, Incl in 2

1шт.

5

4899072

O-RING,1.6mm Thk x 8.1mm ID

1шт.

6

NSS

NOT SOLD SEPARAT

Plug, Incl in 7

1шт.

7

4899009

PLUG,M10 x1

ASSY, Incl 5, 6

2шт.

8

4895049

DOWEL,M16.05 x 10

2шт.

9

4896865

LUBE OIL NOZZLE

4шт.

10

4899026

DOWEL,M18 x 10

10шт.

11

4895039

EXPANSION PLUG,M17.73

1шт.

12

4895038

EXPANSION PLUG,M58.06

4шт.

13

4895228

EXPANSION PLUG,35.23mm x 7.94mm

2шт.

14

4891353

SCREW,Flg Hd, M12 x 1.5 x 120

10шт.

15

4895040

BUSHING,54.39mm ID x 59.39mm OD x 25.4mm L

1шт.

16

NSS

NOT SOLD SEPARAT

Crankshaft Support, Incl in 1

1шт.

17

J931623

TAPPET

8шт.

18

4895392

HEX SOCKET PLUG,M18 x 1.5

ASSY, Incl 19, 20

2шт.

19

NSS

NOT SOLD SEPARAT

Plug, Incl in 18

1шт.

20

4895393

O-RING,2.2mm Thk x 15.3mm ID

1шт.

Выбрано товаров: 21