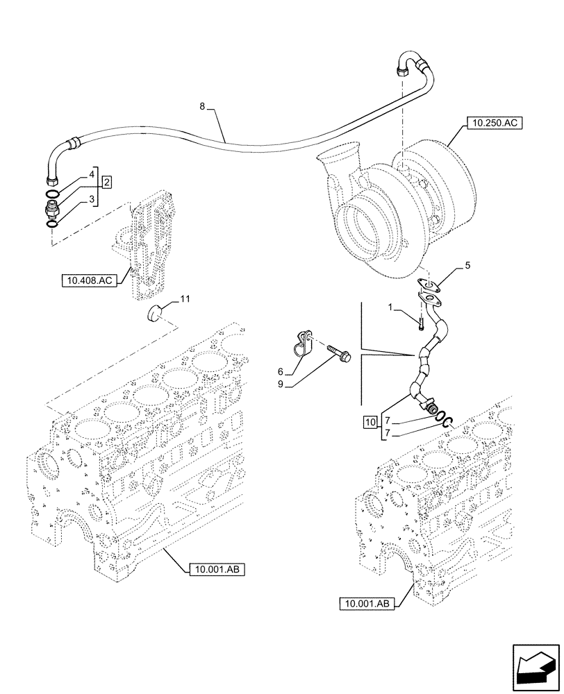
Запчасти Case IH F4DE9684L J112 (10.304.AL) - PIPING ENGINE OIL (10) - ENGINE

Схема запчастей Case IH F4DE9684L J112 - (10.304.AL) - PIPING ENGINE OIL (10) - ENGINE
10.001.ab
9
10
1
6
3
2
7
7
5
8
11
4
10.408.ac
10.250.ac
10.001.ab
FIT
1:1
100%

Артикул

Название

Примечание

Количество

1

4899079

SCREW,Hex Flg, M8 x 1.25 x 25

2шт.

2

2857015

HYD CONNECTOR,Hex, M12 x 1.5 x 6.7mm ID x 32mm L

1шт.

3

2852801

O-RING

1шт.

4

4899108

O-RING,0.364mm ID x 0.07mm Width

1шт.

5

4891288

GASKET,0.8mm Thk

1шт.

6

4896893

CLAMP,20mm W

1шт.

7

4895610

O-RING,2.2mm Thk x 9.3mm ID

2шт.

8

47750046

PIPE

1шт.

9

4899037

SCREW

1шт.

10

2855471

PIPE

1шт.

11

4895089

PLUG,0.886" L

1шт.

Выбрано товаров: 11