Качественные детали и логистика
Оригинальные и аналоговые запчасти с доставкой по России, Казахстану и Беларуси
©2022 PartSell ООО "Система" ИНН 2463123282 ОГРН 1212400004838
Центральный офис: г. Красноярск, Академика Киренского, д.87, пом.4
Телефон: 8 (800) 777-65-74 Email: zakaz@partsell.ru
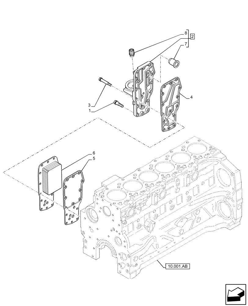
(10.408.AC) - HEAT EXCHANGER ENGINE
№
Артикул
Название
Примечание
Количество
1
4899019
SCREW,Hex Flg, M8 x 1.25 x 35
13шт.
2
2830673
FILTER HEAD
Incl 7, 8
1шт.
3
4895609
BOLT,Flng, M8 x 1.25 x 100mm
2шт.
4
2831317
GASKET,0.9mm Thk
4896409
GASKET,1.55mm Thk
5
2830559
GASKET,0.5mm Thk
6
5801750731
HEAT EXCHANGER
7
4896410
VALVE PRESSURE RELIE
8
4893391
ADAPTER,M24 x 2 x M27 x 2
Выбрано товаров: 0