Запчасти Case IH F4DE9684L J112 (55.015.AA) - SENSOR (55) - ELECTRICAL SYSTEMS

Схема запчастей Case IH F4DE9684L J112 - (55.015.AA) - SENSOR (55) - ELECTRICAL SYSTEMS
10.001.ab
5
6
7
3
13
7
4
12
11
14
10
2
10.408.ac
10.218.ab 01
10.101.aa
10.103.ak
10.103.ak
10.304.ac
10.400.bc
1
9
8
FIT
1:1
100%

Артикул

Название

Примечание

Количество

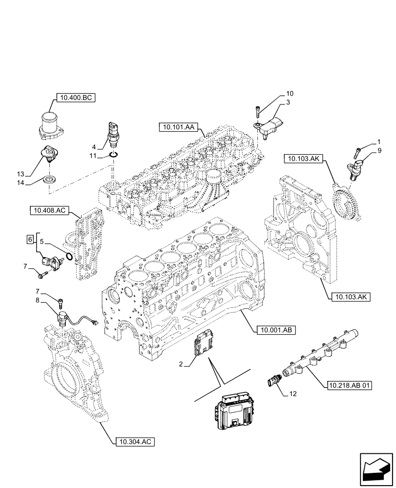
1

2853616

HEX SOC SCREW,Hex Soc, M6, Cl 8.8

1шт.

2

NS

NOT SERVICED

ECU Electronic central - EDC

1шт.

3

2852821

SENSOR

1шт.

4

4897224

SENSOR

1шт.

5

4895477

O-RING,2.62mm Thk x 13.94mm ID

1шт.

6

2859674

SENSOR,Oil Pressure

Incl 5

1шт.

6

2859675

SENSOR,Oil Temperature

1шт.

7

4899110

SCREW,Hex Flg, M6 x 1 x 20

3шт.

8

2853552

SENSOR

1шт.

9

2854857

SENSOR

1шт.

10

4895817

BOLT,Flng, M6 x 1 x 20mm, Cl 10.9

2шт.

11

4894721

SEALING WASHER,12.2mm ID x 17mm OD x 1.5mm Thk

1шт.

12

2854542

SENSOR,FUEL PRESSURE TO THE MANIFOLD

Pressure

1шт.

13

84322388

THERMOSTAT

1шт.

14

84325989

SEAL

1шт.

Выбрано товаров: 15